Yamaha Outboard Parts - Cylinder & Crankcase - 70BETO (2001) | Flood Marine
New Search
Parts
New Outboards
Home
70BETO (2001)
Cylinder & Crankcase
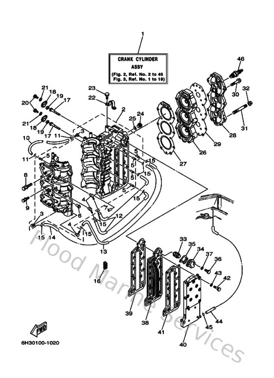
Diagram: Cylinder & Crankcase
Parts List
Reference
Description
Price
1
6H3W0090441S
Crank cylinder assembly
Loading…
↗
2
6H315100141S
Crankcase assembly
Loading…
↗
3
688113700000
Check valve assembly
Loading…
↗
4
650113700000
Check valve assembly
Loading…
↗
5
624144850000
Pipe, joint
Loading…
↗
6
6EEF43770000
Pipe, joint 2
Loading…
↗
7
936081206300
Pin, dowel (626)
Loading…
↗
8
9011910M0700
Bolt (6f5)
Loading…
↗
10
9044507M4400
Hose (l390)
Loading…
↗
11
904670601600
Clip (655)
Loading…
↗
12
9044507M0200
Hose (l200)
Loading…
↗
13
9044507M9000
Hose (l390)
Loading…
↗
14
9044507M8200
Hose (l770)
Loading…
↗
16
9046407M0500
Clamp (6g5)
Loading…
↗
17
6H3113250100
Anode
Loading…
↗
18
6H3113270094
Cover, anode
Loading…
↗
19
6H3113280000
Grommet, anode
Loading…
↗
20
970140601600
Bolt, hexagon deep recess
Loading…
↗
21
929030660000
Washer, plain (646)
Loading…
↗
22
688111190000
Hanger, engine
Loading…
↗
23
970130802000
Bolt(6td)
Loading…
↗
24
9034014M0600
Plug, straight screw(62y)
Loading…
↗
25
904301411500
Gasket (663)
Loading…
↗
26
6H3111110194
Head, cylinder 1
Loading…
↗
27
6H311181A100
Gasket, cylinder head 1
Loading…
↗
28
6H311191009M
Cover, cylinder head 1
Loading…
↗
29
6H311193A100
Gasket, head cover 1
Loading…
↗
30
9011908M0900
Bolt (6f5)
Loading…
↗
31
9011608M6900
Bolt, stud
Loading…
↗
32
9017908M3400
Nut
Loading…
↗
33
6H3124111000
Thermostat
Loading…
↗
34
6H312413009M
Cover, thermostat
Loading…
↗
35
6H312414A100
Gasket, cover
Loading…
↗
36
970130602500
Bolt(62y)
Loading…
↗
38
6H341111019M
Inner cover, exhaust
Loading…
↗
39
6H341112A000
Gasket, exhaust inner cover
Loading…
↗
40
6H341113029M
Outer cover, exhaust
Loading…
↗
41
6H341114A000
Gasket, exhaust outer cover
Loading…
↗
42
970140603500
Bolt(3rv)
Loading…
↗
44
663243120100
Pipe 1
Loading…
↗
45
904670800400
Clip, pipe 6162435600
Loading…
↗
46
947020024700
Plug, spark (br8hs-10)
Loading…
↗