Yamaha Outboard Parts - Cylinder & Crankcase - 75AE (1990) | Flood Marine
New Search
Parts
New Outboards
Home
75AE (1990)
Cylinder & Crankcase
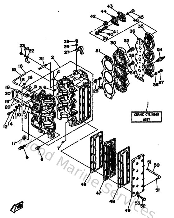
Diagram: Cylinder & Crankcase
Parts List
Reference
Description
Price
2
688151000494
Crankcase assembly
Loading…
↗
3
688113700000
Check valve assembly
Loading…
↗
4
650113700100
Check valve assembly
Loading…
↗
5
624144850000
Pipe, joint
Loading…
↗
6
663115180100
Lock, bearing
Loading…
↗
7
936081206300
Pin, dowel (626)
Loading…
↗
8
9011906M1200
Bolt, with washer (697)
Loading…
↗
9
9011910M0700
Bolt (6f5)
Loading…
↗
10
90201100F700
Washer (7a9)
Loading…
↗
11
953131060000
Nut(3bm)
Loading…
↗
12
901570601400
Screw, pan head(697)
Loading…
↗
13
688441940000
Cap
Loading…
↗
14
953800670000
Nut
Loading…
↗
15
904450726000
Hose (l390)
Loading…
↗
16
904670601600
Clip (655)
Loading…
↗
17
9048024M0400
Grommet (688)
Loading…
↗
18
9044507M0000
Hose (l200)
Loading…
↗
19
9044507M2300
Hose (l570)
Loading…
↗
21
9011610M0600
Bolt, stud (688)
Loading…
↗
22
9046512M0300
Clamp, cord (688)
Loading…
↗
23
973130601000
Bolt
Loading…
↗
24
929950610000
Washer(6a1)
Loading…
↗
25
688113250000
Anode
Loading…
↗
26
986800401600
Screw, flat head(ga5)
Loading…
↗
27
688111190100
Hanger, engine
Loading…
↗
28
973130802000
Bolt(6td)
Loading…
↗
29
929900810000
Ybs67-8 washer, spring
Loading…
↗
30
688111110294
Head, cylinder 1
Loading…
↗
31
688111810200
Gasket, cylinder head 1
Loading…
↗
32
9011908M0700
Bolt, with washer(63v)
Loading…
↗
33
9034014M0000
Plug, straight screw(62y)
Loading…
↗
34
904301411500
Gasket (663)
Loading…
↗
35
68811191001S
Cover, cylinder head 1
Loading…
↗
36
688111930100
Gasket, head cover 1
Loading…
↗
37
973130602500
Bolt
Loading…
↗
38
929900660000
Washer, plain (646)
Loading…
↗
39
9048020M0500
Grommet (688)
Loading…
↗
40
688124160000
Valve, pressure control
Loading…
↗
41
9050116M1100
Spring, compression (688)
Loading…
↗
42
6E5124113000
Thermostat
Loading…
↗
43
68812413009M
Cover, thermostat
Loading…
↗
44
688124140000
Gasket, cover
Loading…
↗
45
970140603500
Bolt(3rv)
Loading…
↗
47
68841111009M
Inner cover, exhaust
Loading…
↗
48
68841112A000
Gasket, exhaust inner cover
Loading…
↗
49
68841113009M
Outer cover, exhaust
Loading…
↗
50
663243120100
Pipe 1
Loading…
↗
51
904670800400
Clip, pipe 6162435600
Loading…
↗
52
973130804000
Bolt, Hexagon
Loading…
↗
53
929900860000
Washer, plain (663)
Loading…
↗
54
947020024700
Plug, spark (br8hs-10)
Loading…
↗