Yamaha Outboard Parts - Cylinder & Crankcase - 90AETOL (1994) | Flood Marine
New Search
Parts
New Outboards
Home
90AETOL (1994)
Cylinder & Crankcase
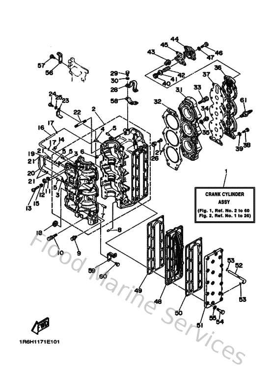
Diagram: Cylinder & Crankcase
Parts List
Reference
Description
Price
1
6H1W009041EK
Crank-Cylinder. Assembly
Loading…
↗
2
6H1151000294
Crankcase assembly (o/i, prime sta
Loading…
↗
3
688113700100
Check valve assembly
Loading…
↗
4
650113700000
Check valve assembly
Loading…
↗
5
624144850000
Pipe, joint
Loading…
↗
6
663115180100
Lock, bearing
Loading…
↗
7
6EEF43770000
Pipe, joint 2
Loading…
↗
8
936081206300
Pin, dowel (626)
Loading…
↗
9
9011906M1200
Bolt, with washer (697)
Loading…
↗
10
9011910M0700
Bolt (6f5)
Loading…
↗
11
90201100F700
Washer (7a9)
Loading…
↗
12
953141060000
Nut(3bm)
Loading…
↗
13
901570601400
Screw, pan head(697)
Loading…
↗
14
688441940000
Cap
Loading…
↗
15
953800670000
Nut
Loading…
↗
16
904450726000
Hose (l390)
Loading…
↗
17
904670601600
Clip (655)
Loading…
↗
18
9048024M0400
Grommet (688)
Loading…
↗
19
9044507MA300
Hose (l200)
Loading…
↗
20
9044507M2300
Hose (l570)
Loading…
↗
22
9011610M0600
Bolt, stud (688)
Loading…
↗
23
9046512M0300
Clamp, cord (688)
Loading…
↗
24
970800601200
Bolt(gh1)
Loading…
↗
25
929950610000
Washer(6a1)
Loading…
↗
26
688113250000
Anode
Loading…
↗
27
987800401600
Screw, flat head(ga5)
Loading…
↗
28
688111190000
Hanger, engine
Loading…
↗
29
973130802000
Bolt(6td)
Loading…
↗
30
929900810000
Ybs67-8 washer, spring
Loading…
↗
31
6H1111110194
Head, cylinder 1
Loading…
↗
32
68811181A000
Gasket, cylinder head 1
Loading…
↗
33
9011908M2100
Bolt, with washer(63v)
Loading…
↗
34
9034014M0600
Plug, straight screw(62y)
Loading…
↗
35
904301411500
Gasket (663)
Loading…
↗
36
68811191009M
Cover, cylinder head 1
Loading…
↗
37
68811193A100
Gasket, head cover 1
Loading…
↗
38
9010106M2700
Bolt
Loading…
↗
39
929900660000
Washer, plain (646)
Loading…
↗
40
9048020M0500
Grommet (688)
Loading…
↗
41
688124160000
Valve, pressure control
Loading…
↗
42
9050116M1100
Spring, compression (688)
Loading…
↗
43
6E5124113000
Thermostat
Loading…
↗
44
68812413009M
Cover, thermostat
Loading…
↗
45
68812414A100
Gasket, cover
Loading…
↗
46
970140603500
Bolt(3rv)
Loading…
↗
48
68841111009M
Inner cover, exhaust
Loading…
↗
49
68841112A000
Gasket, exhaust inner cover
Loading…
↗
50
68841114A000
Gasket, exhaust outer cover
Loading…
↗
51
68841113001S
Outer cover, exhaust
Loading…
↗
52
663243120100
Pipe 1
Loading…
↗
53
904670800400
Clip, pipe 6162435600
Loading…
↗
54
970140804000
Bolt
Loading…
↗
55
929900860000
Washer, plain (663)
Loading…
↗
56
6H1157720000
Stay 2
Loading…
↗
57
973950601200
Bolt(gh1)
Loading…
↗
58
6H1157730000
Stay 3
Loading…
↗
59
6H1217960000
Hinge
Loading…
↗
60
973130801200
Bolt(62e)
Loading…
↗
61
947020024700
Plug, spark (br8hs-10)
Loading…
↗