Yamaha Outboard Parts - Cylinder & Crankcase - E60HELH (2000) | Flood Marine
New Search
Parts
New Outboards
Home
E60HELH (2000)
Cylinder & Crankcase
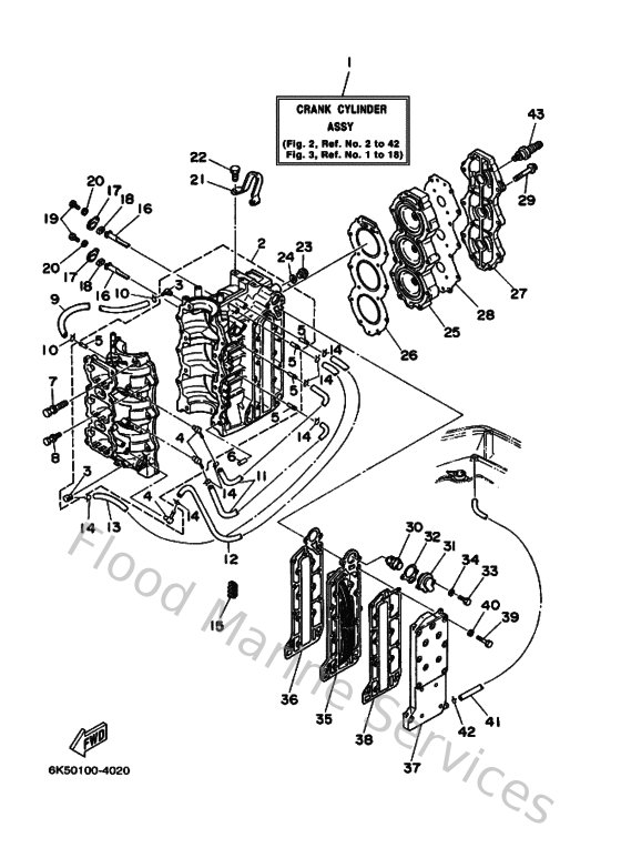
Diagram: Cylinder & Crankcase
Parts List
Reference
Description
Price
1
6K5W0090424D
Crank Cylinder assembly
Loading…
↗
2
6B0151000194
Crankcase assembly
Loading…
↗
3
688113700000
Check valve assembly
Loading…
↗
4
650113700000
Check valve assembly
Loading…
↗
5
624144850000
Pipe, joint
Loading…
↗
6
936081206300
Pin, dowel (626)
Loading…
↗
7
9011910M0700
Bolt (6f5)
Loading…
↗
9
9044507M4400
Hose (l390)
Loading…
↗
10
904670601600
Clip (655)
Loading…
↗
11
9044507M0200
Hose (l200)
Loading…
↗
12
9044507M4500
Hose (l390)
Loading…
↗
13
904450700600
Hose (l770)
Loading…
↗
15
9046407M0500
Clamp (6g5)
Loading…
↗
16
6H3113250100
Anode
Loading…
↗
17
6H3113270094
Cover, anode
Loading…
↗
18
6H3113280000
Grommet, anode
Loading…
↗
19
970140601600
Bolt, hexagon deep recess
Loading…
↗
20
929030660000
Washer, plain (646)
Loading…
↗
21
6K5111190000
Hanger, Engine
Loading…
↗
22
970130802000
Bolt(6td)
Loading…
↗
23
9034014M0000
Plug, straight screw(62y)
Loading…
↗
24
904301411500
Gasket (663)
Loading…
↗
25
6H3111110194
Head, cylinder 1
Loading…
↗
26
6H311181A100
Gasket, cylinder head 1
Loading…
↗
27
6H311191009M
Cover, cylinder head 1
Loading…
↗
28
6H311193A100
Gasket, head cover 1
Loading…
↗
29
9011908M0900
Bolt (6f5)
Loading…
↗
30
6H3124111100
Thermostat
Loading…
↗
31
6H312413009M
Cover, thermostat
Loading…
↗
32
6H312414A100
Gasket, cover
Loading…
↗
33
970130602500
Bolt(62y)
Loading…
↗
35
6H341111011S
Inner cover, exhaust
Loading…
↗
36
6H341112A000
Gasket, exhaust inner cover
Loading…
↗
37
6H341113019M
Outer Cover, Exhaust
Loading…
↗
38
6H341114A000
Gasket, exhaust outer cover
Loading…
↗
39
970130603500
Bolt(3rv)
Loading…
↗
40
929900660000
Washer, plain (646)
Loading…
↗
41
663243120100
Pipe 1
Loading…
↗
42
904670800400
Clip, pipe 6162435600
Loading…
↗
43
947020016000
Plug, spark (b8hs-10)
Loading…
↗