Yamaha Outboard Parts - Cylinder & Crankcase - F30AMS (2001) | Flood Marine
New Search
Parts
New Outboards
Home
F30AMS (2001)
Cylinder & Crankcase
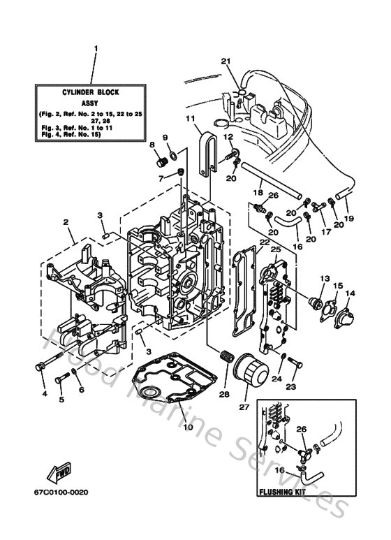
Diagram: Cylinder & Crankcase
Parts List
Reference
Description
Price
1
67CW009B004D
Cylinder block assembly
Loading…
↗
2
67C151000094
Crankcase assembly
Loading…
↗
3
995300801200
Pin, dowel(6g8)
Loading…
↗
4
9011908M0100
Bolt, with washer(62y)
Loading…
↗
5
970130603500
Bolt(3rv)
Loading…
↗
6
929030660000
Washer, plain (646)
Loading…
↗
7
9034451M0100
Plug Taper Screw(62Y)
Loading…
↗
8
9034014M0600
Plug, straight screw(62y)
Loading…
↗
9
904301411500
Gasket (663)
Loading…
↗
10
67C113510000
Gasket, cylinder
Loading…
↗
11
65W111190000
Hanger Engine
Loading…
↗
12
9010508M8700
Bolt, washer based
Loading…
↗
13
66M124110100
Thermostat
Loading…
↗
14
6H312413001S
Cover, thermostat
Loading…
↗
15
62Y124140000
Gasket, cover
Loading…
↗
16
90445092K100
Hose (l420)
Loading…
↗
17
688243780000
Pipe, joint
Loading…
↗
18
904450909500
Hose (L260)
Loading…
↗
20
9046511M1000
Clamp
Loading…
↗
21
904670800400
Clip, pipe 6162435600
Loading…
↗
22
67C411141000
Gasket, exhaust outer cover
Loading…
↗
25
67C41113011S
Outer cover, exhaust
Loading…
↗
26
62Y113720100
Nipple, hose
Loading…
↗
27
5GH134400000
Element assembly, oil cleaner
Loading…
↗
28
9040120M0000
Bolt, union(62y)
Loading…
↗