Yamaha Outboard Parts - Cylinder & Crankcase - F9.9BMH (1987) | Flood Marine
New Search
Parts
New Outboards
Home
F9.9BMH (1987)
Cylinder & Crankcase
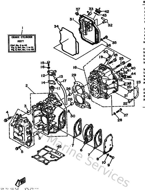
Diagram: Cylinder & Crankcase
Parts List
Reference
Description
Price
2
6G8151000294
Crank case assembly
Loading…
↗
3
995101011400
Pin, dowel(3vd)
Loading…
↗
4
9011908M1800
Bolt, with washer
Loading…
↗
5
9011906M1200
Bolt, with washer (697)
Loading…
↗
6
6G841111021S
Inner Cover, Exhaust
Loading…
↗
7
6G8411120000
Gasket, exhaust inner cover
Loading…
↗
8
6G841113009M
Outer Cover Exhaust
Loading…
↗
9
973130602500
Bolt
Loading…
↗
10
929900660000
Washer, plain (646)
Loading…
↗
11
66M124110100
Thermostat
Loading…
↗
12
6G8124130094
Cover, thermostat
Loading…
↗
13
6E5243770000
Pipe, joint
Loading…
↗
14
6G8124140000
Gasket, cover
Loading…
↗
15
973130602000
Bolt(7u8)
Loading…
↗
17
9044511M6600
Hose (l800)
Loading…
↗
18
6G8111110194
Head, Cylinder 1
Loading…
↗
19
6G8111331000
Guide Valve Intake (1St 0.S)
Loading…
↗
20
9345009M0100
Circlip (6g8)
Loading…
↗
21
676113720000
Nipple, hose
Loading…
↗
23
6G8124810000
Pipe 1
Loading…
↗
24
9010508M3700
Bolt, Flange
Loading…
↗
25
9010508M3600
Bolt (6g8)
Loading…
↗
27
973130603500
Bolt(3rv)
Loading…
↗
29
6G8111810000
Gasket, cylinder head 1
Loading…
↗
30
9321011M5900
O-ring (6g8)
Loading…
↗
31
6G811191011S
Cover, Cylinder Head 1
Loading…
↗
32
6G8153730000
Pipe Breather
Loading…
↗
34
6G8113560000
Seal
Loading…
↗
37
6G8813360000
Grommet
Loading…
↗
38
6G8113250000
Anode
Loading…
↗
39
985800502500
Screw, panhead (a93)
Loading…
↗
40
6G8111970000
Plug, blind
Loading…
↗
41
9321013M6300
O-ring (6g8)
Loading…
↗
42
6G8153630000
Plug, oil
Loading…
↗
43
9321024M7900
O-ring
Loading…
↗
44
947010028200
Plug, spark (cr6hs)
Loading…
↗
45
6G8113510000
Gasket, cylinder
Loading…
↗