Yamaha Outboard Parts - Cylinder & Crankcase - F9.9BMH (1994) | Flood Marine
New Search
Parts
New Outboards
Home
F9.9BMH (1994)
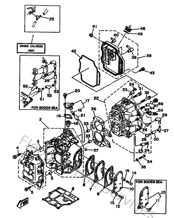
Cylinder & Crankcase
Diagram: Cylinder & Crankcase
Parts List
Reference
Description
Price
1
6G8W0090324D
Crank Cylinder Assembly (Ref. #2~5, 7~48, & Crankshaft)
Loading…
↗
2
6G8151000500
Crankcase assembly
Loading…
↗
3
995101011400
Pin, dowel(3vd)
Loading…
↗
4
9011908M1800
Bolt, with washer
Loading…
↗
5
9011906M1200
Bolt, with washer (697)
Loading…
↗
6
6G811351A000
Gasket, cylinder
Loading…
↗
7
6G841111029M
Inner Cover, Exhaust
Loading…
↗
8
6G8411120200
Gasket, exhaust inner cover
Loading…
↗
9
6G8411140000
Gasket, exhaust outer cover
Loading…
↗
10
6G841113029M
Outer Cover, Exhaust
Loading…
↗
11
676113720000
Nipple, hose
Loading…
↗
12
9010106M2700
Bolt
Loading…
↗
13
929900660000
Washer, plain (646)
Loading…
↗
14
970950603000
Bolt(jf7)
Loading…
↗
16
66M124110100
Thermostat
Loading…
↗
17
6G812413009M
Cover, thermostat
Loading…
↗
18
6E5243770000
Pipe, joint
Loading…
↗
20
970800602000
Bolt(7u8)
Loading…
↗
21
9044511M6600
Hose (l800)
Loading…
↗
22
6G8111110394
Head, Cylinder 1
Loading…
↗
23
6G8111331000
Guide Valve Intake (1St 0.S)
Loading…
↗
24
9345009M0100
Circlip (6g8)
Loading…
↗
27
688243780000
Pipe, joint
Loading…
↗
28
904450922000
Hose (l1500)
Loading…
↗
29
6G8124810100
Pipe 1
Loading…
↗
30
90445090F600
Hose (l1500)
Loading…
↗
31
9010508M3700
Bolt, Flange
Loading…
↗
32
9010508M3600
Bolt (6g8)
Loading…
↗
33
995301011400
Pin, dowel(3vd)
Loading…
↗
34
970130603500
Bolt(3rv)
Loading…
↗
36
6G811181A100
Gasket, cylinder head 1
Loading…
↗
37
9321011M5900
O-ring (6g8)
Loading…
↗
38
6G8111910194
Cover, Cylinder Head 1
Loading…
↗
39
6G8153730100
Pipe Breather
Loading…
↗
41
6G8813360000
Grommet
Loading…
↗
42
6G8113560000
Seal
Loading…
↗
44
6G8113250000
Anode
Loading…
↗
45
985800552500
Screw, panhead (a93)
Loading…
↗
46
6G8111970000
Plug, blind
Loading…
↗
47
9321013M6300
O-ring (6g8)
Loading…
↗
48
6G8153630000
Plug, oil
Loading…
↗
49
9321024M7900
O-ring
Loading…
↗
50
947010028200
Plug, spark (cr6hs)
Loading…
↗
51
6E5243780000
Pipe, joint 3
Loading…
↗
52
9044511M3800
Hose (L50)
Loading…
↗