Yamaha Outboard Parts - Cylinder & Crankcase - L130BETOL (1994) | Flood Marine
New Search
Parts
New Outboards
Home
L130BETOL (1994)
Cylinder & Crankcase
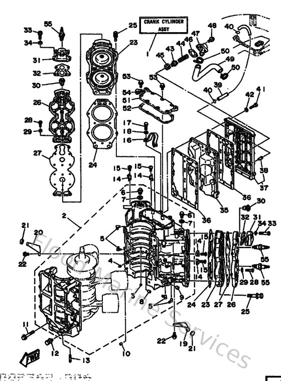
Diagram: Cylinder & Crankcase
Parts List
Reference
Description
Price
1
6N6W0090144D
Crank Cylinder Assembly (Ref. #2~26 & Cylinder - Crank)
Loading…
↗
2
6N7151000200
Crankcase assembly
Loading…
↗
3
624113790000
Valve, check
Loading…
↗
4
663115180100
Lock, bearing
Loading…
↗
5
6E5113720100
Nipple, hose
Loading…
↗
6
9034014M0000
Plug, straight screw(62y)
Loading…
↗
7
904301411500
Gasket (663)
Loading…
↗
8
9038406M0700
Bush, bimetal formed(6r3)
Loading…
↗
9
903841401100
Bush, bimetal formed
Loading…
↗
10
936081206300
Pin, dowel (626)
Loading…
↗
11
9010510M2000
Bolt (6e5)
Loading…
↗
13
9011608M4500
Bolt, stud (6e5)
Loading…
↗
14
6E5113250000
Anode
Loading…
↗
15
987800401600
Screw, flat head(ga5)
Loading…
↗
16
6E5111190000
Hanger, Engine
Loading…
↗
17
973130802000
Bolt(6td)
Loading…
↗
18
929900810000
Ybs67-8 washer, spring
Loading…
↗
19
6E5427610094
Stopper
Loading…
↗
20
6E5427620094
Stopper
Loading…
↗
21
663445330000
Damper, upper mount
Loading…
↗
22
970800602000
Bolt(7u8)
Loading…
↗
23
6E5111111094
Head, cylinder 1
Loading…
↗
24
6E511181A200
Gasket, cylinder head 1
Loading…
↗
25
9011908M2100
Bolt, with washer(63v)
Loading…
↗
26
6E511191019M
Cover, cylinder head 1
Loading…
↗
27
6E511193A000
Gasket, head cover 1
Loading…
↗
28
970950603000
Bolt(jf7)
Loading…
↗
29
929900660000
Washer, plain (646)
Loading…
↗
30
6E5124112000
Thermostat
Loading…
↗
31
6G512413001S
Cover, thermostat
Loading…
↗
32
68812414A100
Gasket, cover
Loading…
↗
33
973130604000
Bolt (682)
Loading…
↗
35
6L141111001S
Inner cover, exhaust
Loading…
↗
36
6E541112A100
Gasket, exhaust inner cover
Loading…
↗
37
6N741113009M
Outer cover, exhaust
Loading…
↗
38
6EEF43770000
Pipe, joint 2
Loading…
↗
39
6E5243120000
Pipe 2
Loading…
↗
40
904670800400
Clip, pipe 6162435600
Loading…
↗
41
970140603500
Bolt(3rv)
Loading…
↗
43
6G5124160000
Valve, pressure control
Loading…
↗
44
9050116M1100
Spring, compression (688)
Loading…
↗
45
9048020M0500
Grommet (688)
Loading…
↗
46
6G511382A100
Gasket 2
Loading…
↗
47
6G511372005B
Cover, bypass 2
Loading…
↗
48
975950652000
Bolt(7u8)
Loading…
↗
49
6E5125760000
Hose 1
Loading…
↗
50
9046513M3900
Clamp(6e8)
Loading…
↗
51
6K711371019M
Cover
Loading…
↗
52
6E511381A100
Gasket 1
Loading…
↗
54
904650802800
Clamp (1e6)
Loading…
↗
55
947020024700
Plug, spark (br8hs-10)
Loading…
↗