Yamaha Outboard Parts - Cylinder & Crankcase 2 - F8CMH (2001) | Flood Marine
New Search
Parts
New Outboards
Home
F8CMH (2001)
Cylinder & Crankcase 2
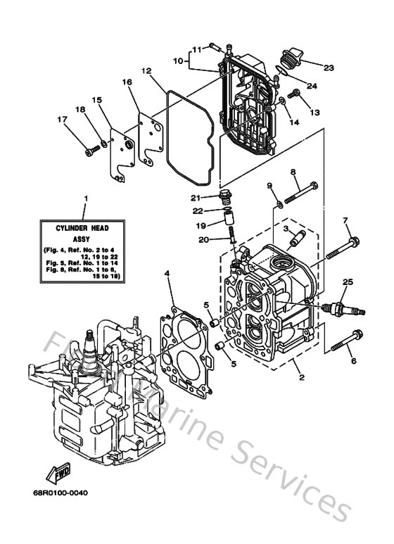
Diagram: Cylinder & Crankcase 2
Parts List
Reference
Description
Price
1
68TW009A004D
Cylinder head assembly
Loading…
↗
2
68T111110094
Head, Cylinder 1
Loading…
↗
3
6EEE11331000
Guide, valve 1
Loading…
↗
4
68T111810000
Gasket, cylinder head 1
Loading…
↗
5
995101011400
Pin, dowel(3vd)
Loading…
↗
6
9010508M3600
Bolt (6g8)
Loading…
↗
7
9010508M7800
Bolt, washer based
Loading…
↗
8
970130607000
Bolt(62j)
Loading…
↗
9
929030660000
Washer, plain (646)
Loading…
↗
10
68T111910094
Cover, Cylinder Head 1
Loading…
↗
11
650243780000
Pipe, joint 2
Loading…
↗
12
68T113560000
Seal, cylinder 2
Loading…
↗
13
970950602000
Bolt(7u8)
Loading…
↗
14
929950660000
Washer, plain (646)
Loading…
↗
15
68T111680000
Cover, breather
Loading…
↗
16
68T11169A000
Gasket, breather cover
Loading…
↗
17
985070401000
Screw, pan head(6g8)
Loading…
↗
18
929070460000
Washer(jf2)
Loading…
↗
19
68T113250000
Anode
Loading…
↗
20
9015105M0500
Screw, countersunk
Loading…
↗
21
6G8111970100
Plug, blind
Loading…
↗
22
9321013M6300
O-ring (6g8)
Loading…
↗
23
6G8153630000
Plug, oil
Loading…
↗
24
9321024M7900
O-ring
Loading…
↗
25
947020027400
Plug, spark (br6hs-10)
Loading…
↗