Yamaha Outboard Parts - Cylinder & Crankcase 2 - F9.9CMH (1998) | Flood Marine
New Search
Parts
New Outboards
Home
F9.9CMH (1998)
Cylinder & Crankcase 2
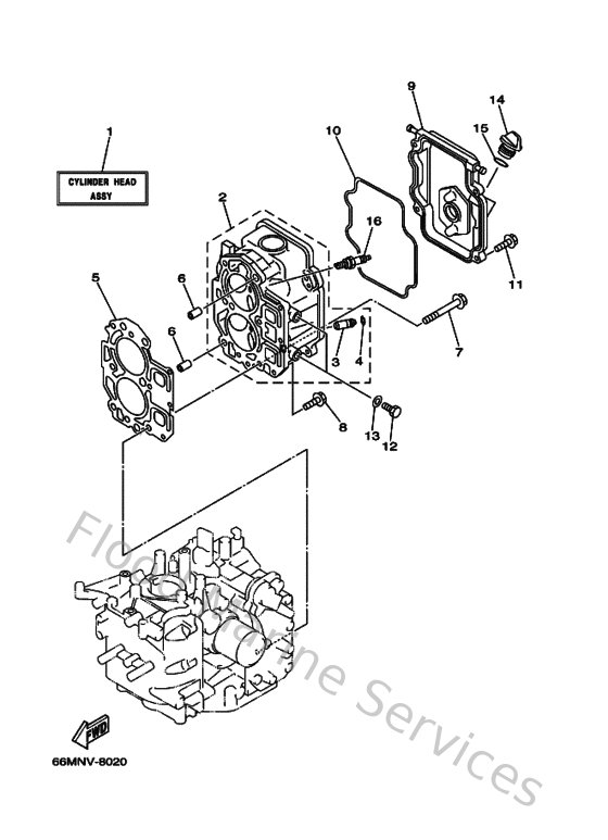
Diagram: Cylinder & Crankcase 2
Parts List
Reference
Description
Price
1
66MW009A004D
Cylinder Head Complete
Loading…
↗
2
66M111110094
Head, Cylinder 1
Loading…
↗
3
66M111331000
Guide Valve 1
Loading…
↗
4
9345009M0100
Circlip (6g8)
Loading…
↗
5
66M111811000
Gasket, cylinder head 1
Loading…
↗
6
995101011400
Pin, dowel(3vd)
Loading…
↗
7
9010508M7800
Bolt, washer based
Loading…
↗
8
975130652500
Bolt, with washer(61b)
Loading…
↗
9
66M11191001S
Cover Cylinder Head 1
Loading…
↗
10
66M113560000
Seal, cylinder 2
Loading…
↗
11
975130652000
Bolt, with washer(61b)
Loading…
↗
12
970950801400
Bolt, hexagon deep recess
Loading…
↗
13
904300814300
Gasket (256-11198-00)
Loading…
↗
14
6G8153630000
Plug, oil
Loading…
↗
15
9321024M7900
O-ring
Loading…
↗
16
947010037500
Plug, spark (dpr6ea-9)(62y)
Loading…
↗