Yamaha Outboard Parts - Electric Parts - F9.9BMH (1986) | Flood Marine
New Search
Parts
New Outboards
Home
F9.9BMH (1986)
Electric Parts
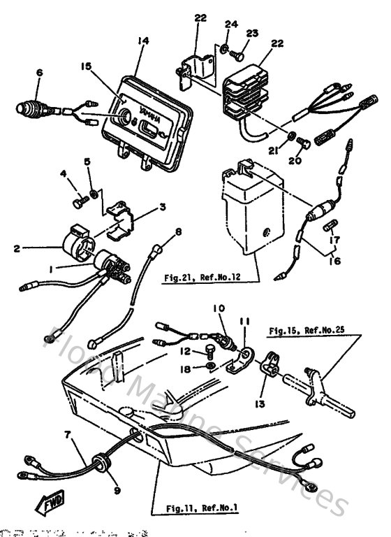
Diagram: Electric Parts
Parts List
Reference
Description
Price
1
6J0819411000
Relay, starter
Loading…
↗
2
6G1819520000
Holder, relay
Loading…
↗
3
6G8819530000
Stay, relay
Loading…
↗
4
970130601200
Bolt(gh1)
Loading…
↗
5
929030660000
Washer, plain (646)
Loading…
↗
6
6G8818700000
Starting switch assembly
Loading…
↗
7
6G8821050200
Battery Cable
Loading…
↗
8
6G8821170000
Wire, lead
Loading…
↗
9
6G8427240000
Grommet 1
Loading…
↗
10
6H3825400000
Neutral switch assembly
Loading…
↗
11
6G8825540000
Stay Neutral Switch
Loading…
↗
13
6G8441250000
Lever, Shift Rod
Loading…
↗
14
6G8W42610000
Panel, Front Upper
Loading…
↗
16
6G8821500000
Fuse holder assembly
Loading…
↗
17
682821510100
Fuse
Loading…
↗
19
6G881960A000
Rectifier/reg Assembly
Loading…
↗
20
970950601600
Bolt, hexagon deep recess
Loading…
↗
22
6G8819480000
Bracket
Loading…
↗
23
973130601600
Bolt, hexagon deep recess
Loading…
↗
4
973130601200
Bolt(gh1)
Loading…
↗
6
6G8825800000
Wire harness assembly
Loading…
↗
7
6G8825900000
Wire Harness assembly
Loading…
↗
8
6G8821050000
Battery Cable
Loading…
↗
9
6G8427245000
Grommet
Loading…
↗
11
688825401200
Neutral switch assembly
Loading…
↗
16
6G8825700100
Panel Switch Assembly
Loading…
↗
17
6G8825710100
Panel, Switch
Loading…
↗
18
6G8825750100
Engine stop switch assembly
Loading…
↗
19
682825560000
Lanyard, stop switch
Loading…
↗
20
688825101100
Main switch assembly
Loading…
↗
21
663825810100
Stay, cord clamp
Loading…
↗
22
6G8835820100
Pilot Light assembly
Loading…
↗
23
989030400800
Screw, bind (705)
Loading…
↗
24
929900410000
Ybs67-4 washer, spring
Loading…
↗
25
989030502500
Screw, bind
Loading…
↗
26
953030560000
Nut, hexagon (663)
Loading…
↗
27
929030510000
Ybs67-5 washer, spring
Loading…
↗
28
929030560000
Washer, plain (646)
Loading…
↗
30
6G8426772000
Graphic, Front
Loading…
↗
31
6G8425510000
Grommet
Loading…
↗
33
663821510000
Fuse
Loading…
↗
35
9038706M7300
Collar
Loading…
↗
36
990800460000
Circlip (eu0)
Loading…
↗
38
6G8483515000
Seal, rubber
Loading…
↗
41
929900660000
Washer, plain (646)
Loading…
↗
45
6G8263630000
End, wire 1
Loading…
↗
46
6G8263640000
End, wire 2
Loading…
↗