Yamaha Outboard Parts - Electric Parts 2 - 50DEMTO (1985) | Flood Marine
New Search
Parts
New Outboards
Home
50DEMTO (1985)
Electric Parts 2
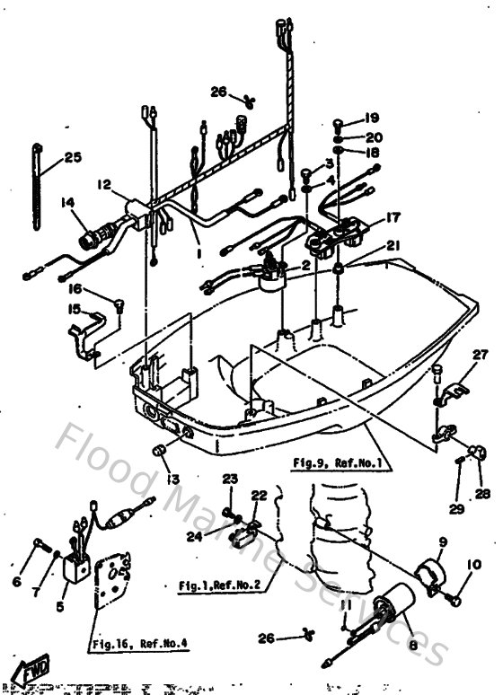
Diagram: Electric Parts 2
Parts List
Reference
Description
Price
1
6H4821050000
Battery cable
Loading…
↗
2
688819501000
Relay assembly
Loading…
↗
3
970950601600
Bolt, hexagon deep recess
Loading…
↗
4
929030660000
Washer, plain (646)
Loading…
↗
5
6G1819706000
Rectifier assembly
Loading…
↗
6
985800552500
Screw, panhead (a93)
Loading…
↗
7
929030560000
Washer, plain (646)
Loading…
↗
9
6H4861120000
Stay, Solenoid
Loading…
↗
10
970950601400
Bolt(gj3)
Loading…
↗
11
932100326100
O-ring (663)
Loading…
↗
12
6H4427242000
Grommet
Loading…
↗
13
6H4427250000
Grommet 2
Loading…
↗
14
6H4825900200
Wire Harness assembly
Loading…
↗
15
6H4825880000
Plate
Loading…
↗
16
973130601200
Bolt(gh1)
Loading…
↗
17
6H5819501000
Relay Assembly
Loading…
↗
18
929900620000
Ybs66-6 washer, plain
Loading…
↗
19
9010106M2700
Bolt
Loading…
↗
21
9038706M7000
Collar (6h5)
Loading…
↗
22
6H5819200000
Terminal assembly
Loading…
↗
23
970130601200
Bolt(gh1)
Loading…
↗
25
9046513M2400
Band, switch cord
Loading…
↗
26
904651814700
Clamp
Loading…
↗
27
6H4825540000
Stay, Neutral Switch
Loading…
↗
28
6H4441730000
Lever Shift Control
Loading…
↗
29
916903002000
Pin, spring (6h4)
Loading…
↗