Yamaha Outboard Parts - Electrical - 40HM (1992) | Flood Marine

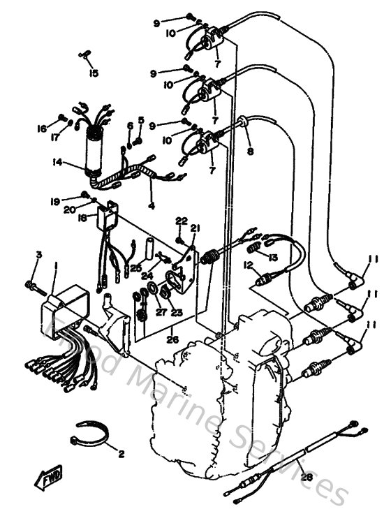
Diagram: Electrical

Diagram