Yamaha Outboard Parts - Electrical - 60FETO (1992) | Flood Marine
New Search
Parts
New Outboards
Home
60FETO (1992)
Electrical
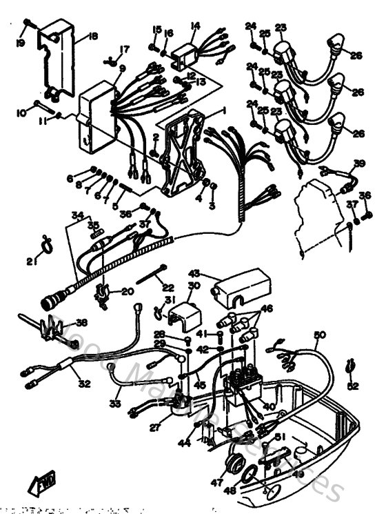
Diagram: Electrical
Parts List
Reference
Description
Price
1
6H3855421194
Bracket
Loading…
↗
2
9010506M1400
Bolt (6e0)
Loading…
↗
3
9038706M4300
Coller (6e9)
Loading…
↗
4
9048013M5400
Grommet(6h2)
Loading…
↗
5
9011606M0700
Bolt, stud (688)
Loading…
↗
6
953800670000
Nut
Loading…
↗
7
929900620000
Ybs66-6 washer, plain
Loading…
↗
8
929950610000
Washer(6a1)
Loading…
↗
9
6H2855400000
C.d.i. unit assembly
Loading…
↗
10
973950605000
Bolt(jf7)
Loading…
↗
11
929900660000
Washer, plain (646)
Loading…
↗
12
970130601200
Bolt(gh1)
Loading…
↗
14
6H2819600000
Rectifier & regulator assembly
Loading…
↗
15
973950601600
Bolt, hexagon deep recess
Loading…
↗
17
9046405M1600
Clamp(6j8)
Loading…
↗
18
6H3819161000
Cover, terminal
Loading…
↗
19
9015906M0100
Screw, with washer (6f5)
Loading…
↗
20
6G5821520000
Holder, fuse
Loading…
↗
21
904642526700
Clamp
Loading…
↗
22
9046513M1100
Clamp (6e5)
Loading…
↗
23
6H2855700000
Ignition coil assembly
Loading…
↗
24
973130602000
Bolt(7u8)
Loading…
↗
26
6G1823702100
Plug cap assembly
Loading…
↗
27
688819501000
Relay assembly
Loading…
↗
28
973130601600
Bolt, hexagon deep recess
Loading…
↗
30
6H3821640000
Case 2
Loading…
↗
31
904641603900
Clamp (3y2)
Loading…
↗
32
66T82105J100
Battery cable
Loading…
↗
33
6H3821170000
Wire, lead
Loading…
↗
34
6H2825901100
Wire Harness Assembly
Loading…
↗
35
682821510000
Fuse
Loading…
↗
38
688825940000
Clamp
Loading…
↗
39
688825601000
Thermo switch assembly
Loading…
↗
40
6H1819500000
Relay aasy
Loading…
↗
41
973950602500
Bolt
Loading…
↗
43
6H3821541100
Case
Loading…
↗
44
6H2819491100
Wire, lead
Loading…
↗
45
6H2819490100
Wire, lead
Loading…
↗
46
6G5821191000
Cover, lead wire
Loading…
↗
47
6H1825630000
Trim & tilt switch assembly
Loading…
↗
48
6E5825870000
Gasket
Loading…
↗
49
6E5836140100
Bracket
Loading…
↗
52
9046418M1400
Clamp(6h1)
Loading…
↗