Yamaha Outboard Parts - Electrical - 80AETOL (1992) | Flood Marine
New Search
Parts
New Outboards
Home
80AETOL (1992)
Electrical
Diagram: Electrical
Parts List
Reference
Description
Price
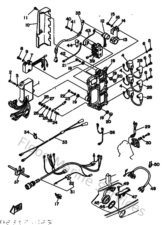
1
6H0855400000
C.d.i. Unit assembly
Loading…
↗
2
973950605000
Bolt(jf7)
Loading…
↗
3
929900660000
Washer, plain (646)
Loading…
↗
4
6H2855700000
Ignition coil assembly
Loading…
↗
5
970800602000
Bolt(7u8)
Loading…
↗
7
6H0819600000
Rectifier & regulator assembly
Loading…
↗
8
973950602000
Bolt(7u8)
Loading…
↗
11
9015906M1100
Screw, with washer(6l2)
Loading…
↗
12
6G1819411000
Starter relay
Loading…
↗
13
6G1819520000
Holder, relay
Loading…
↗
14
6E9819457000
Plate, switch fitting
Loading…
↗
15
973130601600
Bolt, hexagon deep recess
Loading…
↗
17
6G5821520000
Holder, fuse
Loading…
↗
18
6H1855420094
Bracket
Loading…
↗
19
9048009M2500
Grommet(688)
Loading…
↗
20
9038706M0300
Collar (676)
Loading…
↗
21
9011906M7500
Bolt, with washer
Loading…
↗
22
9010906M3900
Bolt(6h0)
Loading…
↗
23
9020106M3100
Washer (6a0)
Loading…
↗
24
9011606M2200
Bolt, stud (6h1)
Loading…
↗
25
9538R0670000
Nut
Loading…
↗
26
929900620000
Ybs66-6 washer, plain
Loading…
↗
27
929900610000
Washer(6a1)
Loading…
↗
28
6E3823702000
Plug cap assembly
Loading…
↗
29
688825601000
Thermo switch assembly
Loading…
↗
30
688825880100
Plate
Loading…
↗
32
682821510100
Fuse
Loading…
↗
33
6H0821050100
Battery cable
Loading…
↗
34
9046423M2200
Clamp
Loading…
↗
35
6H0821170000
Wire, lead
Loading…
↗
36
697825190000
Wire,earth lead
Loading…
↗
37
688825940000
Clamp
Loading…
↗
39
6H1819500000
Relay aasy
Loading…
↗
40
973950602500
Bolt
Loading…
↗
42
6H0819491000
Wire, lead
Loading…
↗
43
6H5819490000
Wire, lead
Loading…
↗
45
6H1825630000
Trim & tilt switch assembly
Loading…
↗
46
6E5825870000
Gasket
Loading…
↗
47
6H1836140000
Braket
Loading…
↗
49
973950601600
Bolt, hexagon deep recess
Loading…
↗
50
9046418M1400
Clamp(6h1)
Loading…
↗