Yamaha Outboard Parts - Electrical - F8BMH (1985) | Flood Marine
New Search
Parts
New Outboards
Home
F8BMH (1985)
Electrical
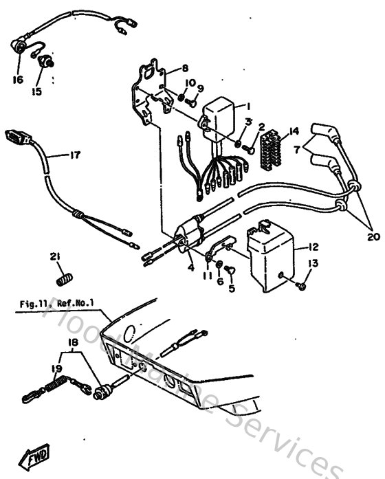
Diagram: Electrical
Parts List
Reference
Description
Price
1
6G9855402000
C.d.i. unit assembly
Loading…
↗
2
973130602500
Bolt
Loading…
↗
3
929030660000
Washer, plain (646)
Loading…
↗
4
6G8855702000
Ignition coil assembly
Loading…
↗
5
970800602000
Bolt(7u8)
Loading…
↗
7
6G8823702000
Plug cap assembly
Loading…
↗
8
6G8855420000
Bracket
Loading…
↗
9
973130602000
Bolt(7u8)
Loading…
↗
10
929900660000
Washer, plain (646)
Loading…
↗
11
6G8855250000
Plate
Loading…
↗
12
6G8819160000
Cover, Terminal
Loading…
↗
14
6G8825220000
Clamp
Loading…
↗
15
6G8825040000
Oil pressure switch
Loading…
↗
16
6G8821270000
Wire Lead 2
Loading…
↗
17
6G8835820100
Pilot Light assembly
Loading…
↗
18
6G9825750000
Engine stop switch assembly
Loading…
↗
19
682825560000
Lanyard, stop switch
Loading…
↗
20
904802516100
Grommet(656)
Loading…
↗
21
9044610M0200
Tube (6e5)
Loading…
↗