Yamaha Outboard Parts - Electrical - FT9.9AMH (1985) | Flood Marine
New Search
Parts
New Outboards
Home
FT9.9AMH (1985)
Electrical
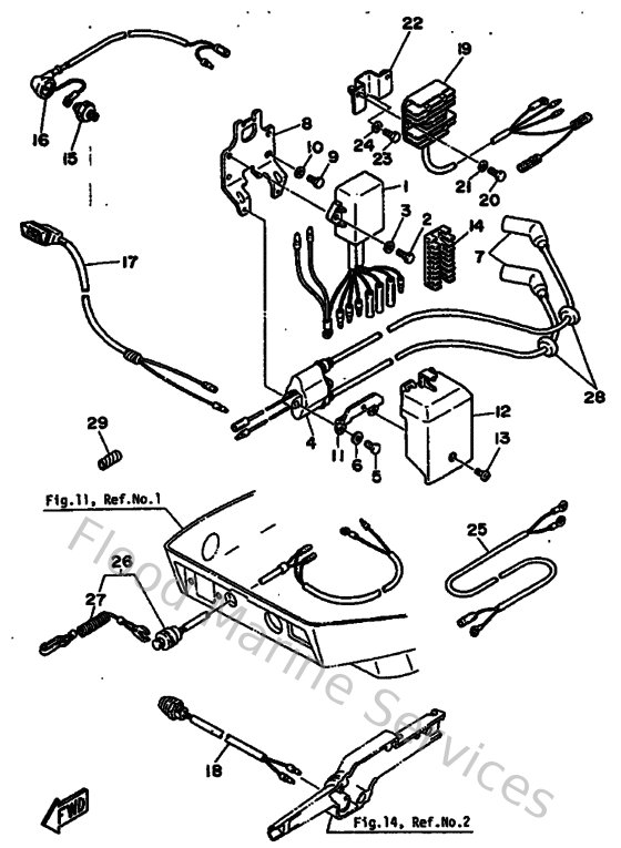
Diagram: Electrical
Parts List
Reference
Description
Price
1
6G8855402000
C.d.i. unit assembly
Loading…
↗
2
973130602500
Bolt
Loading…
↗
3
929900660000
Washer, plain (646)
Loading…
↗
4
6G8855702000
Ignition coil assembly
Loading…
↗
5
973130602000
Bolt(7u8)
Loading…
↗
7
6G8823702000
Plug cap assembly
Loading…
↗
8
6G8855420000
Bracket
Loading…
↗
11
6G8855250000
Plate
Loading…
↗
12
6G8819160000
Cover, Terminal
Loading…
↗
14
6G8825220000
Clamp
Loading…
↗
15
6G8825040000
Oil pressure switch
Loading…
↗
16
6G8821270000
Wire Lead 2
Loading…
↗
17
6G8835820000
Pilot Light assembly
Loading…
↗
18
6G8825501000
Stop switch assembly
Loading…
↗
19
6G881960A000
Rectifier/reg Assembly
Loading…
↗
20
970950601600
Bolt, hexagon deep recess
Loading…
↗
21
929030660000
Washer, plain (646)
Loading…
↗
22
6G8819480000
Bracket
Loading…
↗
25
6G8819490000
Wire, lead
Loading…
↗
26
6G8825750100
Engine stop switch assembly
Loading…
↗
27
682825560000
Lanyard, stop switch
Loading…
↗
28
904802516100
Grommet(656)
Loading…
↗
29
9044610M0200
Tube (6e5)
Loading…
↗