Yamaha Outboard Parts - Electrical 1 - 200AETOL (1988) | Flood Marine
New Search
Parts
New Outboards
Home
200AETOL (1988)
Electrical 1
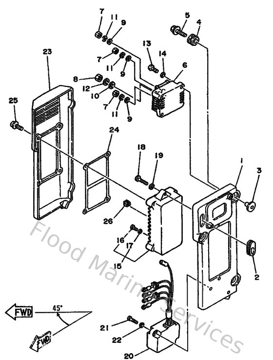
Diagram: Electrical 1
Parts List
Reference
Description
Price
3
9038706M0300
Collar (676)
Loading…
↗
4
9048009M1200
Grommet (6a0)
Loading…
↗
5
9011906M2800
Bolt, With Washer
Loading…
↗
6
6G581960A000
Rectifier & regulator assembly
Loading…
↗
7
953800560000
Nut, hexagon (663)
Loading…
↗
8
953800660000
Nut(661)
Loading…
↗
9
929900520000
Ybs66-5 washer, plain
Loading…
↗
10
929900620000
Ybs66-6 washer, plain
Loading…
↗
11
929900510000
Ybs67-5 washer, spring
Loading…
↗
12
929900610000
Washer(6a1)
Loading…
↗
13
925800602000
Screw pan head
Loading…
↗
14
929900660000
Washer, plain (646)
Loading…
↗
15
6G5855401200
Cdi Unit assembly
Loading…
↗
16
985800400800
Screw, pan head (713)
Loading…
↗
17
929900420000
Ybs66-4 washer, plain
Loading…
↗
18
925800603000
Screw, pan head(6e0)
Loading…
↗
20
6G5855901200
Control Unit assembly
Loading…
↗
21
978850603000
Screw, pan head(6e0)
Loading…
↗
23
6G5855370000
Cover
Loading…
↗
24
6G5855470000
Damper
Loading…
↗
25
9015906M0300
Screw (6g5)
Loading…
↗
26
904800606600
Grommet
Loading…
↗