Yamaha Outboard Parts - Electrical 1 - 20DMHO (1988) | Flood Marine
New Search
Parts
New Outboards
Home
20DMHO (1988)
Electrical 1
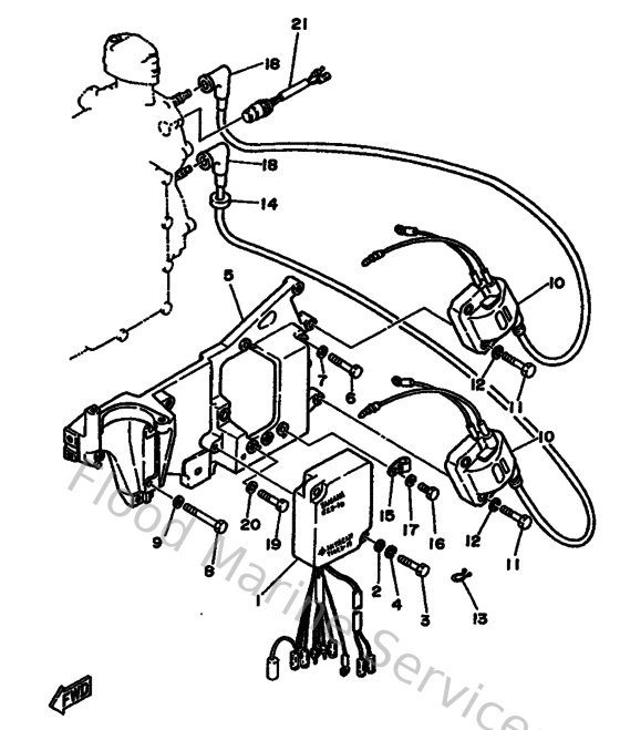
Diagram: Electrical 1
Parts List
Reference
Description
Price
1
6L2855401000
Cdi Unit Assembly
Loading…
↗
2
929900620000
Ybs66-6 washer, plain
Loading…
↗
3
973130603000
Bolt
Loading…
↗
4
929900610000
Washer(6a1)
Loading…
↗
5
6L2855420094
Bracket
Loading…
↗
6
970800603000
Bolt(jf7)
Loading…
↗
7
929900660000
Washer, plain (646)
Loading…
↗
8
9010106M1600
Bolt(6l2)
Loading…
↗
10
6L2855701000
Ignition Coil Assembly
Loading…
↗
12
929950610000
Washer(6a1)
Loading…
↗
13
904651814700
Clamp
Loading…
↗
14
904802516100
Grommet(656)
Loading…
↗
15
904650802800
Clamp (1e6)
Loading…
↗
16
973130601200
Bolt(gh1)
Loading…
↗
18
6G1823702000
Plug cap assembly
Loading…
↗
21
689825600000
Thermo switch assembly
Loading…
↗