Yamaha Outboard Parts - Electrical 1 - 20DMHO (1995) | Flood Marine
New Search
Parts
New Outboards
Home
20DMHO (1995)
Electrical 1
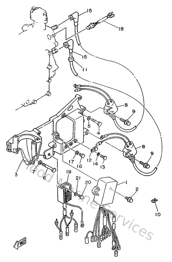
Diagram: Electrical 1
Parts List
Reference
Description
Price
1
6L2855402000
C.d.i. unit assembly
Loading…
↗
2
975950652000
Bolt(7u8)
Loading…
↗
3
6L2855420294
Bracket
Loading…
↗
4
970800603000
Bolt(jf7)
Loading…
↗
5
929900660000
Washer, plain (646)
Loading…
↗
6
9010106M1600
Bolt(6l2)
Loading…
↗
8
61N855700000
Ignition coil assembly
Loading…
↗
9
975950642000
Bolt(7u8)
Loading…
↗
10
904651814700
Clamp
Loading…
↗
11
904802516100
Grommet(656)
Loading…
↗
12
904650802800
Clamp (1e6)
Loading…
↗
13
970950601200
Bolt(gh1)
Loading…
↗
14
929950610000
Washer(6a1)
Loading…
↗
15
6G1823702000
Plug cap assembly
Loading…
↗
16
970800601200
Bolt(gh1)
Loading…
↗
18
689825600000
Thermo switch assembly
Loading…
↗
19
6J8819600000
Rectifier & regulator assembly
Loading…
↗
20
970950601600
Bolt, hexagon deep recess
Loading…
↗