Yamaha Outboard Parts - Electrical 1 - 25JETO (1996) | Flood Marine
New Search
Parts
New Outboards
Home
25JETO (1996)
Electrical 1
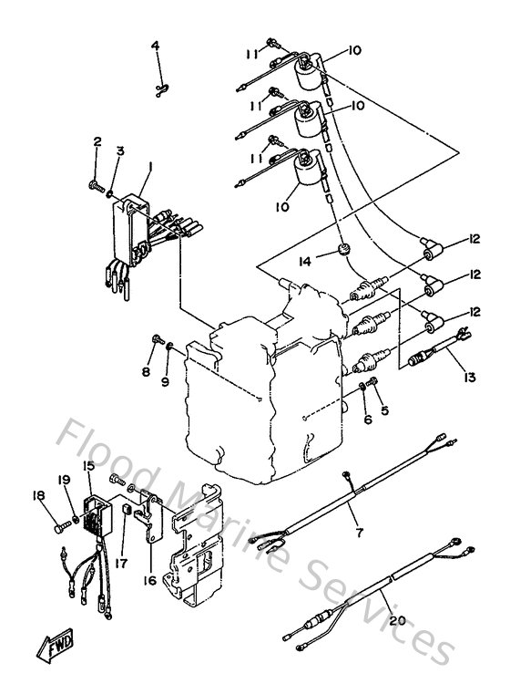
Diagram: Electrical 1
Parts List
Reference
Description
Price
1
6J885540H000
C.d.i. Unit Assembly
Loading…
↗
7
6J8825310000
Wire, lead
Loading…
↗
10
6H4855702000
Ignition coil assembly
Loading…
↗
12
6G1823702100
Plug cap assembly
Loading…
↗
13
689825600000
Thermo switch assembly
Loading…
↗
15
6J8819600000
Rectifier & regulator assembly
Loading…
↗
16
6J8819750000
Plate, rectifier fitting
Loading…
↗
17
689441940000
Cap
Loading…
↗
20
6J8821051000
Battery cable
Loading…
↗