Yamaha Outboard Parts - Electrical 1 - 25QEO (1998) | Flood Marine
New Search
Parts
New Outboards
Home
25QEO (1998)
Electrical 1
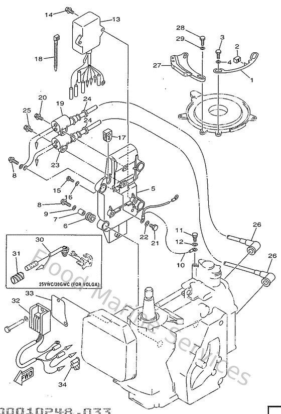
Diagram: Electrical 1
Parts List
Reference
Description
Price
1
61N416150000
Stopper, magneto base
Loading…
↗
2
61N441940100
Cap
Loading…
↗
3
970950601000
Bolt
Loading…
↗
4
929900660000
Washer, plain (646)
Loading…
↗
5
61N855420094
Bracket
Loading…
↗
6
61N823170000
Damper, ignition coil
Loading…
↗
7
624425420000
Collar
Loading…
↗
8
9011906M9500
Bolt, with washer
Loading…
↗
9
9020106M3000
Washer, plate (6a1)
Loading…
↗
10
61N825190100
Wire, earth lead
Loading…
↗
11
970950601200
Bolt(gh1)
Loading…
↗
12
929950610000
Washer(6a1)
Loading…
↗
13
61N855401100
C.d.i. unit assembly
Loading…
↗
14
970800602000
Bolt(7u8)
Loading…
↗
17
6H3819220000
Grommet
Loading…
↗
18
80L263970000
Band
Loading…
↗
19
61N855700000
Ignition coil assembly
Loading…
↗
20
975950652000
Bolt(7u8)
Loading…
↗
21
970800601200
Bolt(gh1)
Loading…
↗
24
904802516100
Grommet(656)
Loading…
↗
26
663823700100
Plug cap assembly
Loading…
↗
27
61N412130094
Cam, Accel
Loading…
↗
28
970950501600
Bolt(6a1)
Loading…
↗
29
929900560000
Washer, plain (646)
Loading…
↗
30
689825400100
Neutral switch ass'y
Loading…
↗
31
9044610M0200
Tube (6e5)
Loading…
↗
32
6J8819600000
Rectifier & regulator assembly
Loading…
↗
34
6E5825820000
Cap 1
Loading…
↗