Yamaha Outboard Parts - Electrical 1 - 30DETO (1992) | Flood Marine
New Search
Parts
New Outboards
Home
30DETO (1992)
Electrical 1
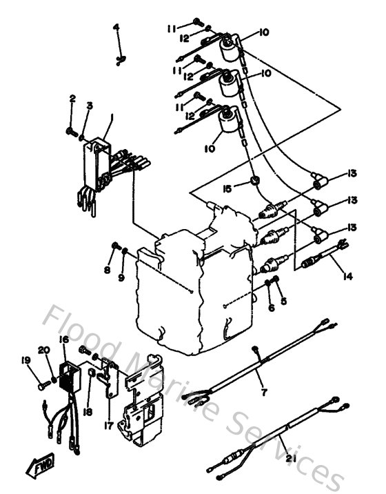
Diagram: Electrical 1
Parts List
Reference
Description
Price
1
6J885540H000
C.d.i. Unit Assembly
Loading…
↗
2
973130602500
Bolt
Loading…
↗
3
929900660000
Washer, plain (646)
Loading…
↗
4
904641603900
Clamp (3y2)
Loading…
↗
5
970130601200
Bolt(gh1)
Loading…
↗
7
6J8825310000
Wire, lead
Loading…
↗
10
6J8855702000
Ignition coil assembly
Loading…
↗
11
970800602000
Bolt(7u8)
Loading…
↗
12
929900610000
Washer(6a1)
Loading…
↗
13
6G1823702000
Plug cap assembly
Loading…
↗
14
689825600000
Thermo switch assembly
Loading…
↗
15
904802516100
Grommet(656)
Loading…
↗
16
6J8819600000
Rectifier & regulator assembly
Loading…
↗
17
6J8819750000
Plate, rectifier fitting
Loading…
↗
18
689441940000
Cap
Loading…
↗
19
973950601200
Bolt(gh1)
Loading…
↗
21
6J8821051000
Battery cable
Loading…
↗