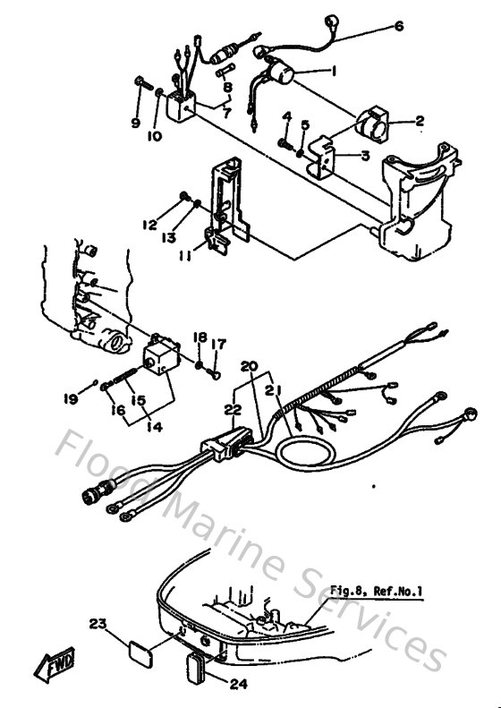
Yamaha Outboard Parts - Electrical 1 - 30DMH (1987) | Flood Marine

Diagram: Electrical 1

Diagram