Yamaha Outboard Parts - Electrical 1 - 50DEMTO (1985) | Flood Marine
New Search
Parts
New Outboards
Home
50DEMTO (1985)
Electrical 1
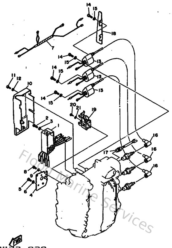
Diagram: Electrical 1
Parts List
Reference
Description
Price
1
6H4855402000
C.d.i. Unit assembly
Loading…
↗
2
973130602000
Bolt(7u8)
Loading…
↗
3
929900660000
Washer, plain (646)
Loading…
↗
5
973130601200
Bolt(gh1)
Loading…
↗
7
6H4825310000
Wire, Lead
Loading…
↗
9
929030660000
Washer, plain (646)
Loading…
↗
10
6H4819160000
Cover, terminal
Loading…
↗
11
978030602500
Screw, pan head(6b0)
Loading…
↗
13
6H4855702000
Ignition coil assembly
Loading…
↗
16
663823700100
Plug cap assembly
Loading…
↗
17
689825600000
Thermo switch assembly
Loading…
↗
20
978030601200
Screw, pan head(62j)
Loading…
↗