Yamaha Outboard Parts - Electrical 1 - 70BETO (2000) | Flood Marine
New Search
Parts
New Outboards
Home
70BETO (2000)
Electrical 1
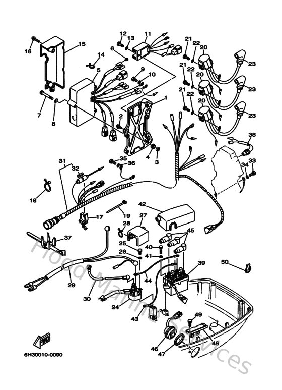
Diagram: Electrical 1
Parts List
Reference
Description
Price
1
6H3855421194
Bracket
Loading…
↗
2
9010506M1400
Bolt (6e0)
Loading…
↗
3
9038706M4300
Coller (6e9)
Loading…
↗
4
9048013M5400
Grommet(6h2)
Loading…
↗
5
6H2855401000
C.d.i. unit assembly
Loading…
↗
6
703821190000
Cover, lead wire
Loading…
↗
7
970950604500
Bolt, hexagon
Loading…
↗
8
929950660000
Washer, plain (646)
Loading…
↗
9
970130601200
Bolt(gh1)
Loading…
↗
10
929900660000
Washer, plain (646)
Loading…
↗
11
6H2819601000
Rectifier & regulator assembly
Loading…
↗
12
970950601600
Bolt, hexagon deep recess
Loading…
↗
14
9046405M1600
Clamp(6j8)
Loading…
↗
15
6H3819161000
Cover, terminal
Loading…
↗
16
9015906M0100
Screw, with washer (6f5)
Loading…
↗
17
6G5821520000
Holder, fuse
Loading…
↗
18
9046423M2200
Clamp
Loading…
↗
19
9046513M1100
Clamp (6e5)
Loading…
↗
20
697855700000
Ignition coil assembly
Loading…
↗
21
970130602000
Bolt(62y)
Loading…
↗
22
929030660000
Washer, plain (646)
Loading…
↗
23
6G1823702100
Plug cap assembly
Loading…
↗
24
688819501000
Relay assembly
Loading…
↗
25
970130601600
Bolt, hexagon deep recess
Loading…
↗
27
6H3821640000
Case 2
Loading…
↗
28
9046415M1100
Clamp (3y2)
Loading…
↗
29
6H3821050100
Battery cable
Loading…
↗
30
6H3821170000
Wire, lead
Loading…
↗
31
6H2825903100
Wire harness assembly
Loading…
↗
32
682821510000
Fuse
Loading…
↗
37
688825940000
Clamp
Loading…
↗
38
688825601000
Thermo switch assembly
Loading…
↗