Yamaha Outboard Parts - Electrical 1 - F15AEP (2000) | Flood Marine
New Search
Parts
New Outboards
Home
F15AEP (2000)
Electrical 1
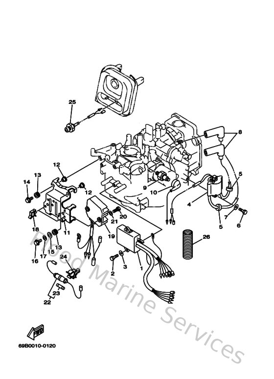
Diagram: Electrical 1
Parts List
Reference
Description
Price
1
66M855400100
C.d.i. Unit assembly
Loading…
↗
2
970950602000
Bolt(7u8)
Loading…
↗
3
929950660000
Washer, plain (646)
Loading…
↗
4
66M855700000
Ignition coil assembly
Loading…
↗
5
904802516100
Grommet(656)
Loading…
↗
7
929900660000
Washer, plain (646)
Loading…
↗
8
6G8823703000
Plug cap assembly
Loading…
↗
9
62Y825041000
Oil pressure switch assembly
Loading…
↗
10
66M821271000
Wire, lead 2
Loading…
↗
11
69A855421000
Bracket
Loading…
↗
12
9038706M0500
Collar(6h4)
Loading…
↗
13
9048013M2400
Grommet (6e9)
Loading…
↗
14
958950602000
Bolt, flange(jk3)
Loading…
↗
15
9020106M0800
Washer, plate(6e3)
Loading…
↗
16
970950602500
Bolt
Loading…
↗
18
9046415M0800
Clamp (6h1)
Loading…
↗
19
6G881960A100
Rectifier & regulator assembly
Loading…
↗
20
970950601600
Bolt, hexagon deep recess
Loading…
↗
22
6G8821500000
Fuse holder assembly
Loading…
↗
23
663821510000
Fuse
Loading…
↗
24
6G5821520000
Holder, fuse
Loading…
↗
25
65W854100100
Emergency signal light assembly
Loading…
↗
26
6H1835570000
Tube
Loading…
↗