Yamaha Outboard Parts - Electrical 1 - F30AMS (2001) | Flood Marine
New Search
Parts
New Outboards
Home
F30AMS (2001)
Electrical 1
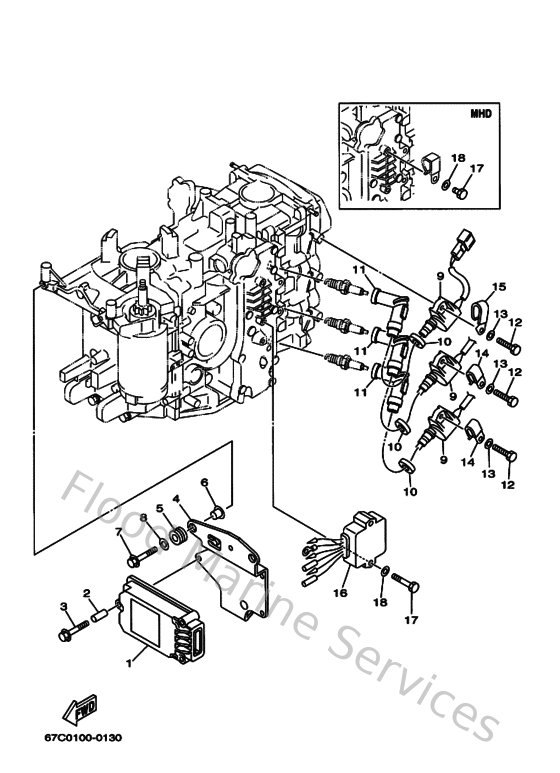
Diagram: Electrical 1
Parts List
Reference
Description
Price
1
67C855400100
C.d.i. unit assembly
Loading…
↗
2
65W861290000
Collar
Loading…
↗
3
65W8252V0000
Screw, special
Loading…
↗
4
67C855420000
Bracket
Loading…
↗
5
65W855470000
Damper
Loading…
↗
6
65W861291000
Collar
Loading…
↗
7
67C8252V0000
Bolt, Flange (M6X25)
Loading…
↗
8
67C855540000
Washer Rotor
Loading…
↗
9
67C855700000
Ignition coil assembly
Loading…
↗
10
904802516100
Grommet(656)
Loading…
↗
11
6G8823703000
Plug cap assembly
Loading…
↗
12
970800602000
Bolt(7u8)
Loading…
↗
13
929950660000
Washer, plain (646)
Loading…
↗
14
9046506M9000
Clamp
Loading…
↗
15
9046506M8800
Clamp
Loading…
↗
16
65W819601000
Rectifier & regulator assembly
Loading…
↗
17
970950604000
Bolt (682)
Loading…
↗