Yamaha Outboard Parts - Electrical 1 - F8BMH (1993) | Flood Marine
New Search
Parts
New Outboards
Home
F8BMH (1993)
Electrical 1
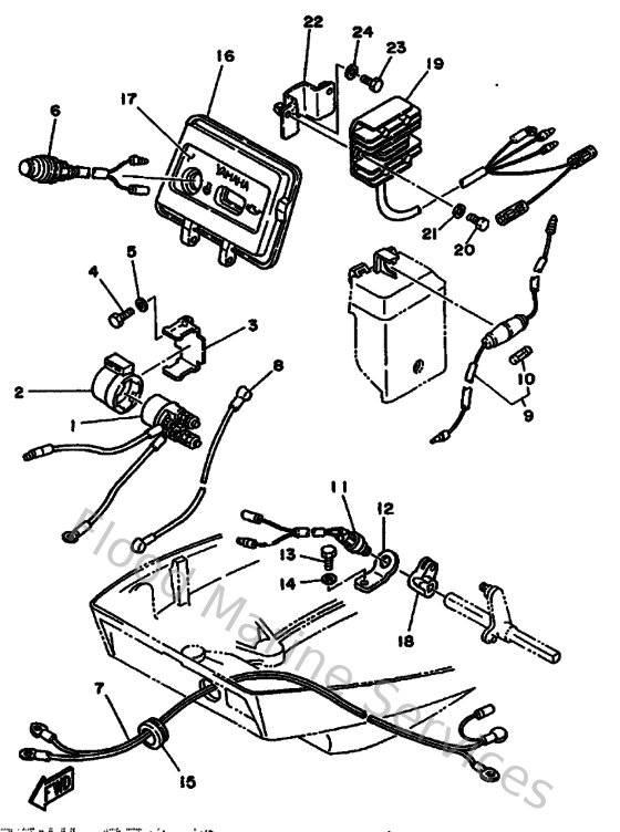
Diagram: Electrical 1
Parts List
Reference
Description
Price
1
6J0819411000
Relay, starter
Loading…
↗
2
6G1819520000
Holder, relay
Loading…
↗
3
6G8819530000
Stay, relay
Loading…
↗
4
970130601200
Bolt(gh1)
Loading…
↗
5
929900660000
Washer, plain (646)
Loading…
↗
6
6G8818700000
Starting switch assembly
Loading…
↗
7
6G8821050200
Battery Cable
Loading…
↗
8
6G8821170000
Wire, lead
Loading…
↗
9
6G8821500000
Fuse holder assembly
Loading…
↗
10
682821510000
Fuse
Loading…
↗
11
688825401200
Neutral switch assembly
Loading…
↗
12
6G8825540000
Stay Neutral Switch
Loading…
↗
15
6G8427244000
Grommet
Loading…
↗
18
6G8441250000
Lever, Shift Rod
Loading…
↗
19
6G881960A100
Rectifier & regulator assembly
Loading…
↗
20
973130601600
Bolt, hexagon deep recess
Loading…
↗
22
6G8819480200
Bracket
Loading…
↗