Yamaha Outboard Parts - Electrical 1 - F8CMH (2001) | Flood Marine
New Search
Parts
New Outboards
Home
F8CMH (2001)
Electrical 1
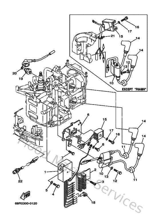
Diagram: Electrical 1
Parts List
Reference
Description
Price
1
68T855400000
C.d.i. unit assembly
Loading…
↗
2
68T825220000
Clamp, coupler
Loading…
↗
3
977804051200
Screw, pan head tapping
Loading…
↗
4
970950602000
Bolt(7u8)
Loading…
↗
5
929950660000
Washer, plain (646)
Loading…
↗
8
970800601200
Bolt(gh1)
Loading…
↗
10
680855700000
Ignition coil assembly
Loading…
↗
11
904802516100
Grommet(656)
Loading…
↗
12
9010106M2700
Bolt
Loading…
↗
14
6E3823702100
Plug cap assembly
Loading…
↗
15
68T819600000
Rectifier & regulator assembly
Loading…
↗
16
970950601200
Bolt(gh1)
Loading…
↗
17
929900660000
Washer, plain (646)
Loading…
↗
19
67F825040000
Oil pressure switch assembly
Loading…
↗
20
68T821271000
Wire, lead 2
Loading…
↗
21
9046511M1000
Clamp
Loading…
↗
22
68T854100000
Emergency signal light assembly
Loading…
↗