Yamaha Outboard Parts - Electrical 1 - F9.9BMH (1989) | Flood Marine
New Search
Parts
New Outboards
Home
F9.9BMH (1989)
Electrical 1
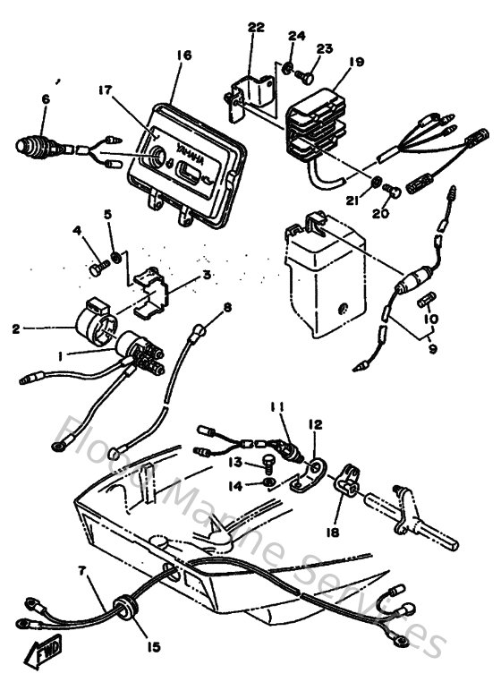
Diagram: Electrical 1
Parts List
Reference
Description
Price
1
6J0819411000
Relay, starter
Loading…
↗
2
6G1819520000
Holder, relay
Loading…
↗
3
6G8819530000
Stay, relay
Loading…
↗
4
973130601200
Bolt(gh1)
Loading…
↗
5
929900660000
Washer, plain (646)
Loading…
↗
6
6G8818700000
Starting switch assembly
Loading…
↗
7
6G8821050000
Battery Cable
Loading…
↗
8
6G8821170000
Wire, lead
Loading…
↗
9
6G8821500000
Fuse holder assembly
Loading…
↗
11
6H3825400000
Neutral switch assembly
Loading…
↗
12
6G8825540000
Stay Neutral Switch
Loading…
↗
15
6G8427244000
Grommet
Loading…
↗
18
6G8441250000
Lever, Shift Rod
Loading…
↗
19
6G881960A000
Rectifier/reg Assembly
Loading…
↗
20
970950601600
Bolt, hexagon deep recess
Loading…
↗
22
6G8819480000
Bracket
Loading…
↗
23
973130601600
Bolt, hexagon deep recess
Loading…
↗