Yamaha Outboard Parts - Electrical 1 - F9.9BMH (1996) | Flood Marine
New Search
Parts
New Outboards
Home
F9.9BMH (1996)
Electrical 1
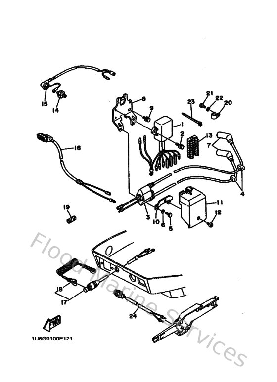
Diagram: Electrical 1
Parts List
Reference
Description
Price
1
6G9855402100
C.d.i. unit assembly
Loading…
↗
2
975950652000
Bolt(7u8)
Loading…
↗
3
6G8855702100
Ignition coil assembly
Loading…
↗
4
904802516100
Grommet(656)
Loading…
↗
5
970950602500
Bolt
Loading…
↗
6
929900660000
Washer, plain (646)
Loading…
↗
7
6G8823702000
Plug cap assembly
Loading…
↗
8
6G8855420000
Bracket
Loading…
↗
10
6G8855250000
Plate
Loading…
↗
11
6G8819160000
Cover, Terminal
Loading…
↗
12
989800600800
Screw, bind(2tv)
Loading…
↗
13
6G8825220000
Clamp
Loading…
↗
14
6G8825040000
Oil pressure switch
Loading…
↗
15
6G8821270000
Wire Lead 2
Loading…
↗
16
6G8835820100
Pilot Light assembly
Loading…
↗
17
6G9825750200
Engine stop switch assembly
Loading…
↗
18
682825560000
Lanyard, stop switch
Loading…
↗
19
9044610M0100
Tube (6e5)
Loading…
↗
20
904650802800
Clamp (1e6)
Loading…
↗
21
970130601200
Bolt(gh1)
Loading…
↗
23
9046513M1100
Clamp (6e5)
Loading…
↗
24
6G8825501000
Stop switch assembly
Loading…
↗