Yamaha Outboard Parts - Electrical 1 - F9.9BMH (2001) | Flood Marine
New Search
Parts
New Outboards
Home
F9.9BMH (2001)
Electrical 1
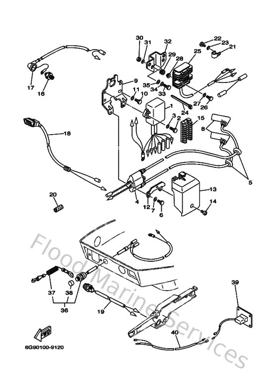
Diagram: Electrical 1
Parts List
Reference
Description
Price
1
6G9855402200
C.d.i. unit assembly
Loading…
↗
2
970950602000
Bolt(7u8)
Loading…
↗
3
929900660000
Washer, plain (646)
Loading…
↗
4
6G8855702100
Ignition coil assembly
Loading…
↗
5
904802516100
Grommet(656)
Loading…
↗
6
970950602500
Bolt
Loading…
↗
8
6G8823703000
Plug cap assembly
Loading…
↗
9
6G8855420000
Bracket
Loading…
↗
12
6G8855250000
Plate
Loading…
↗
13
6G8819160000
Cover, Terminal
Loading…
↗
14
989800600800
Screw, bind(2tv)
Loading…
↗
15
6G8825220000
Clamp
Loading…
↗
16
6G8825040000
Oil pressure switch
Loading…
↗
17
6G8821270000
Wire Lead 2
Loading…
↗
18
6G8835820100
Pilot Light assembly
Loading…
↗
19
6G8825501000
Stop switch assembly
Loading…
↗
20
9044610M0100
Tube (6e5)
Loading…
↗
21
9046508M7500
Clamp
Loading…
↗
22
970130601200
Bolt(gh1)
Loading…
↗
24
9046513M1100
Clamp (6e5)
Loading…
↗
36
699825750900
Engine stop switch assembly
Loading…
↗
37
682825560000
Lanyard, stop switch
Loading…
↗
38
6898257Y0000
Cap
Loading…
↗