Yamaha Outboard Parts - Electrical 1 - Z200NETO (2000) | Flood Marine
New Search
Parts
New Outboards
Home
Z200NETO (2000)
Electrical 1
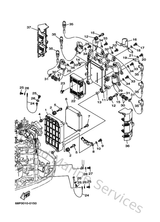
Diagram: Electrical 1
Parts List
Reference
Description
Price
1
68F855420094
Bracket
Loading…
↗
2
68F855160000
Spacer
Loading…
↗
3
68F861290000
Collar
Loading…
↗
4
68F861291000
Collar
Loading…
↗
5
68F851190000
Bolt
Loading…
↗
6
68F8591A2000
Engine Control Unit assembly
Loading…
↗
7
9011906MA300
Bolt, with washer
Loading…
↗
8
68F855480000
Holder
Loading…
↗
9
970130601400
Bolt(gj3)
Loading…
↗
10
929900660000
Washer, plain (646)
Loading…
↗
11
68F851420094
Bracket, Reflector 2
Loading…
↗
16
68F855990000
Cover
Loading…
↗
17
970130601200
Bolt(gh1)
Loading…
↗
18
929030660000
Washer, plain (646)
Loading…
↗
19
68F856440000
Plate
Loading…
↗
20
970800601200
Bolt(gh1)
Loading…
↗
22
68F8591B0000
Driver, injector assembly
Loading…
↗
23
9011906MA200
Bolt, with washer
Loading…
↗
24
6G0825190000
Wire, earth lead
Loading…
↗
26
929950660000
Washer, plain (646)
Loading…
↗
27
970950601200
Bolt(gh1)
Loading…
↗
29
68F823100100
Ignition coil assembly
Loading…
↗
30
9048022M1500
Grommet (6e5)
Loading…
↗
31
9046511M1000
Clamp
Loading…
↗
32
68F823101000
Ignition coil assembly
Loading…
↗
33
970130502000
Bolt, hexagon
Loading…
↗
34
929030560000
Washer, plain (646)
Loading…
↗
35
68F823700000
Plug Cap assembly
Loading…
↗
36
68F8252U0000
Cover
Loading…
↗
37
68F8252U1000
Cover
Loading…
↗