Yamaha Outboard Parts - Electrical 2 - 175FETOL (2000) | Flood Marine
New Search
Parts
New Outboards
Home
175FETOL (2000)
Electrical 2
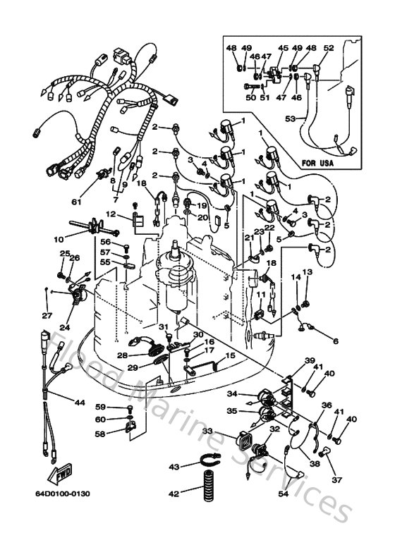
Diagram: Electrical 2
Parts List
Reference
Description
Price
1
6R3855700100
Ignition coil assembly
Loading…
↗
2
6E3823702000
Plug cap assembly
Loading…
↗
3
970950602000
Bolt(7u8)
Loading…
↗
4
929900660000
Washer, plain (646)
Loading…
↗
5
904802516100
Grommet(656)
Loading…
↗
6
6E5825311000
Wire, lead
Loading…
↗
7
64D825900000
Wire harness assembly
Loading…
↗
8
663821510000
Fuse
Loading…
↗
9
705821510000
Fuse (30a)
Loading…
↗
10
688825940000
Clamp
Loading…
↗
11
9046505M8700
Clamp
Loading…
↗
12
9046508M8900
Clamp
Loading…
↗
13
970950601200
Bolt(gh1)
Loading…
↗
15
6K7825880000
Plate
Loading…
↗
18
688825601000
Thermo switch assembly
Loading…
↗
19
61A857900000
Thermosensor assembly
Loading…
↗
20
929901060000
Washer, plate
Loading…
↗
21
9046506M8600
Clamp
Loading…
↗
22
970800601200
Bolt(gh1)
Loading…
↗
23
929950660000
Washer, plain (646)
Loading…
↗
24
64E861100000
Solenoid
Loading…
↗
25
970950601600
Bolt, hexagon deep recess
Loading…
↗
27
932100326100
O-ring (663)
Loading…
↗
28
6R3825630000
Trim & tilt switch assembly
Loading…
↗
29
6E5825870000
Gasket
Loading…
↗
30
6R3836140000
Bracket
Loading…
↗
32
61A819410000
Starter relay assembly
Loading…
↗
33
689819521000
Holder, starter relay
Loading…
↗
34
6E5819500000
Relay assembly
Loading…
↗
35
6E58195A0000
Relay assembly
Loading…
↗
36
6G5871491000
Connector
Loading…
↗
37
6G5821191000
Cover, lead wire
Loading…
↗
38
6E5821160000
Wire, minus lead
Loading…
↗
39
6G5819481100
Bracket
Loading…
↗
42
6E9835577000
Tube
Loading…
↗
43
9046513M1800
Clamp
Loading…
↗
44
6R382105J200
Battery cable
Loading…
↗
45
64D819200100
Terminal assembly
Loading…
↗
46
953800870000
Nut(661)
Loading…
↗
47
929900810000
Ybs67-8 washer, spring
Loading…
↗
48
953800670000
Nut
Loading…
↗
49
929900610000
Washer(6a1)
Loading…
↗
50
970800603500
Bolt(j52)
Loading…
↗
51
929950610000
Washer(6a1)
Loading…
↗
52
64D821170000
Wire, Lead
Loading…
↗
53
64D821160000
Wire, Minus Lead
Loading…
↗
54
6E5821170000
Wire, lead
Loading…
↗
55
6E5825880000
Plate
Loading…
↗
58
9046512M2500
Clamp (6e5)
Loading…
↗
61
6G5821520000
Holder, fuse
Loading…
↗