Yamaha Outboard Parts - Electrical 2 (F9.9EH) - F9.9BMH (1997) | Flood Marine
New Search
Parts
New Outboards
Home
F9.9BMH (1997)
Electrical 2 (F9.9EH)
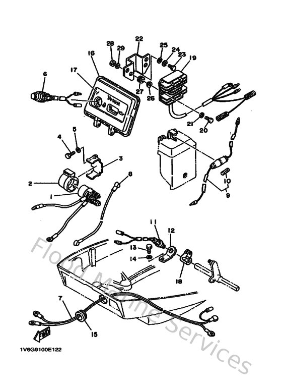
Diagram: Electrical 2 (F9.9EH)
Parts List
Reference
Description
Price
1
6J0819411000
Relay, starter
Loading…
↗
2
6G1819520000
Holder, relay
Loading…
↗
3
6G8819530000
Stay, relay
Loading…
↗
4
970950601200
Bolt(gh1)
Loading…
↗
5
929900660000
Washer, plain (646)
Loading…
↗
6
6G8818700000
Starting switch assembly
Loading…
↗
7
6G8821050100
Battery Cable
Loading…
↗
8
6H4821170000
Wire, lead
Loading…
↗
9
6G8821500000
Fuse holder assembly
Loading…
↗
10
682821510000
Fuse
Loading…
↗
11
6H3825400000
Neutral switch assembly
Loading…
↗
12
6G8825540000
Stay Neutral Switch
Loading…
↗
13
970800601200
Bolt(gh1)
Loading…
↗
15
6G8427244000
Grommet
Loading…
↗
16
6G8426141200
Panel, Front Upper
Loading…
↗
18
6G8441250000
Lever, Shift Rod
Loading…
↗
19
6G881960A100
Rectifier & regulator assembly
Loading…
↗
20
970950602500
Bolt
Loading…
↗
22
6G8819480200
Bracket
Loading…
↗
23
970950602000
Bolt(7u8)
Loading…
↗
24
929950610000
Washer(6a1)
Loading…
↗
26
9038706M7000
Collar (6h5)
Loading…
↗
27
9048013M2400
Grommet (6e9)
Loading…
↗
28
953800670000
Nut
Loading…
↗