Yamaha Outboard Parts - Electrical 3 - 225AETOL (1988) | Flood Marine
New Search
Parts
New Outboards
Home
225AETOL (1988)
Electrical 3
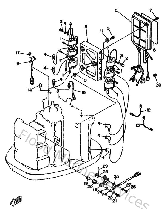
Diagram: Electrical 3
Parts List
Reference
Description
Price
1
6E5855701000
Ignition coil assembly
Loading…
↗
2
973130603000
Bolt
Loading…
↗
3
929900660000
Washer, plain (646)
Loading…
↗
4
6E3823702000
Plug cap assembly
Loading…
↗
9
9011906M0800
Bolt, with washer
Loading…
↗
10
9038706M0300
Collar (676)
Loading…
↗
11
9048009M1200
Grommet (6a0)
Loading…
↗
12
662825190000
Wire, earth lead
Loading…
↗
13
6G0825190000
Wire, earth lead
Loading…
↗
14
6G7857900100
Thermosensor Assembly
Loading…
↗
17
985800501200
Screw,pan head (646)
Loading…
↗
18
6K7858860000
Bracket
Loading…
↗
19
9038705M0000
Collar(6k7)
Loading…
↗
20
9048010M2300
Grommet(6k7)
Loading…
↗
21
985030502500
Screw, panhead (a93)
Loading…
↗
22
929900510000
Ybs67-5 washer, spring
Loading…
↗
23
929900560000
Washer, plain (646)
Loading…
↗
24
9020105M0300
Washer, plate(6k7)
Loading…
↗
25
6K7858850000
Throttle Sensor assembly
Loading…
↗
28
6K7145730000
Lever
Loading…
↗
29
916903001600
Pin, spring
Loading…
↗
30
904651814700
Clamp
Loading…
↗