Yamaha Outboard Parts - Electrical 3 - L250BETO (1997) | Flood Marine
New Search
Parts
New Outboards
Home
L250BETO (1997)
Electrical 3
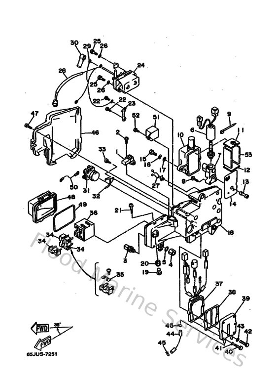
Diagram: Electrical 3
Parts List
Reference
Description
Price
1
65L823800000
Sensor, pressure
Loading…
↗
2
977806062500
Screw, tapping(65j)
Loading…
↗
4
9017012M3600
Nut
Loading…
↗
5
9020112M3400
Washer (692)
Loading…
↗
6
65L8592A0000
Sensor
Loading…
↗
7
65L113950000
Holder
Loading…
↗
8
975130653000
Bolt, with washer(63m)
Loading…
↗
9
9046513M3600
Clamp(6h4)
Loading…
↗
10
65L858320000
Case, under
Loading…
↗
11
65L1131N0000
Gasket, holder
Loading…
↗
12
65L113960000
Gasket, holder
Loading…
↗
13
65L113530000
Joint
Loading…
↗
14
68FW11350000
Seal, cylinder
Loading…
↗
15
970950603000
Bolt(jf7)
Loading…
↗
16
929950610000
Washer(6a1)
Loading…
↗
17
929900660000
Washer, plain (646)
Loading…
↗
18
65L819480000
Bracket
Loading…
↗
19
624425420000
Collar
Loading…
↗
20
6A0823170000
Damper, ignition coil
Loading…
↗
21
9011906M9500
Bolt, with washer
Loading…
↗
22
970950601400
Bolt(gj3)
Loading…
↗
23
61A871490000
Connector
Loading…
↗
24
61A819500000
Relay assembly
Loading…
↗
27
9046418M4600
Clamp(65j)
Loading…
↗
28
61A819491000
Wire, lead
Loading…
↗
29
6H2819491100
Wire, lead
Loading…
↗
30
6G5821190000
Cover, lead wire
Loading…
↗
31
61A819410000
Starter relay assembly
Loading…
↗
32
61A819520000
Holder, relay
Loading…
↗
33
977805061200
Screw, tapping(61a)
Loading…
↗
34
61A821500100
Fuse holder assembly
Loading…
↗
35
61A821510000
Fuse(12v-80a)
Loading…
↗
36
61A821530000
Stay, fuse holder
Loading…
↗
37
61A819600100
Rectifier & regulator assembly
Loading…
↗
38
61A81975A000
Plate, rectifier fitting
Loading…
↗
39
61A81972009M
Cover, rectifier
Loading…
↗
40
970130602500
Bolt(62y)
Loading…
↗
44
90445097F700
Hose (l1500)
Loading…
↗
45
904670800400
Clip, pipe 6162435600
Loading…
↗
46
65L819420000
Cover
Loading…
↗
47
9016905M0000
Screw truss head tapping
Loading…
↗
48
61A821540100
Case
Loading…
↗
49
61A821760000
Damper
Loading…
↗
50
61A821170000
Wire, lead
Loading…
↗
51
65L819500000
Relay assembly
Loading…
↗
53
65L113540000
Gasket
Loading…
↗