Yamaha Outboard Parts - Electrical 3 - LF115AET (2000) | Flood Marine
New Search
Parts
New Outboards
Home
LF115AET (2000)
Electrical 3
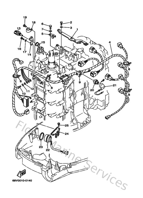
Diagram: Electrical 3
Parts List
Reference
Description
Price
1
67F8132G0000
Plate
Loading…
↗
2
970950601600
Bolt, hexagon deep recess
Loading…
↗
3
929950660000
Washer, plain (646)
Loading…
↗
4
68V8259M0100
Wire harness assembly 2
Loading…
↗
5
68V825880000
Plate
Loading…
↗
6
970950601200
Bolt(gh1)
Loading…
↗
7
929900660000
Washer, plain (646)
Loading…
↗
8
9046513M1800
Clamp
Loading…
↗
9
9046511M1000
Clamp
Loading…
↗
10
970950602000
Bolt(7u8)
Loading…
↗
11
929950610000
Washer(6a1)
Loading…
↗
13
67F857900000
Thermosensor assembly
Loading…
↗
14
67F857570000
Retainer
Loading…
↗
15
68V857530000
Gasket, sender unit
Loading…
↗
18
9046508M7500
Clamp
Loading…
↗
19
970850601000
Bolt
Loading…
↗
20
68V825040000
Oil pressure switch assembly
Loading…
↗
21
68V813150000
Lead wire assembly
Loading…
↗
22
63D825631000
Trim & tilt switch assembly
Loading…
↗
23
6E5825870000
Gasket
Loading…
↗
24
62Y836140000
Bracket
Loading…
↗
25
9010906M8600
Bolt
Loading…
↗