Yamaha Outboard Parts - Electrical 3 - Z200NETO (2001) | Flood Marine
New Search
Parts
New Outboards
Home
Z200NETO (2001)
Electrical 3
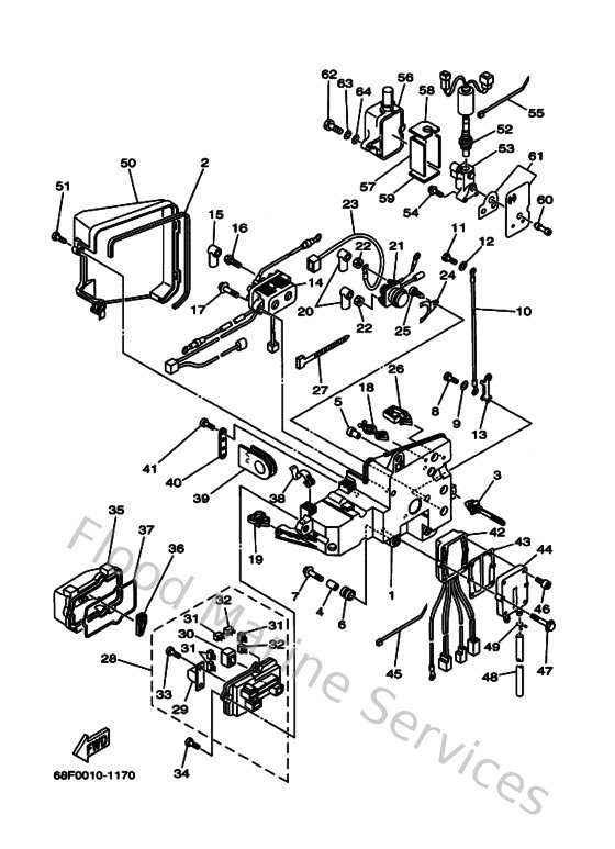
Diagram: Electrical 3
Parts List
Reference
Description
Price
1
68F819480000
Bracket
Loading…
↗
2
68F825350000
Grommet
Loading…
↗
3
9046512M5600
Clamp(62t)
Loading…
↗
4
903870611900
Collar
Loading…
↗
5
9038706M9100
Collar
Loading…
↗
6
6A0823170000
Damper, ignition coil
Loading…
↗
7
9011906M6500
Bolt, with washer
Loading…
↗
8
970800601200
Bolt(gh1)
Loading…
↗
9
929950660000
Washer, plain (646)
Loading…
↗
10
68F819492000
Wire, lead
Loading…
↗
11
970950601200
Bolt(gh1)
Loading…
↗
12
929900660000
Washer, plain (646)
Loading…
↗
13
61A871490000
Connector
Loading…
↗
14
68F819500000
Relay assembly
Loading…
↗
15
6G5821191000
Cover, lead wire
Loading…
↗
16
975950661000
Bolt, hexagon w/w deep recess
Loading…
↗
17
9011906MA400
Bolt, with washer
Loading…
↗
18
9046418M4600
Clamp(65j)
Loading…
↗
19
904642319900
Clamp(4hm)
Loading…
↗
21
61A8194A0000
Relay
Loading…
↗
22
957800630000
Nut, nylon (6g1)
Loading…
↗
23
68F821170000
Wire, lead
Loading…
↗
24
61A819520000
Holder, relay
Loading…
↗
25
977805061200
Screw, tapping(61a)
Loading…
↗
26
904640514100
Clamp(7ly)
Loading…
↗
27
9046511M5200
Clamp(6e7)
Loading…
↗
28
68F821700000
Fuse box assembly
Loading…
↗
29
6P2821510000
Fuse (60a)
Loading…
↗
30
68F8195A0000
Relay assembly
Loading…
↗
31
67F821510000
Fuse
Loading…
↗
32
5JJ821516000
Fuse
Loading…
↗
33
68F828460000
Screw, pan head (m5)
Loading…
↗
34
977805062000
Screw, tapping
Loading…
↗
35
68F855440000
Case
Loading…
↗
36
67F2812A0000
Puller, fuse
Loading…
↗
37
68F821760000
Damper
Loading…
↗
38
68F8572S0000
Spring
Loading…
↗
39
68F813360000
Grommet
Loading…
↗
40
68F811280000
Clamp
Loading…
↗
41
977805061600
Screw, pan head tapping (ak5)
Loading…
↗
42
68F819600300
Rectifier & regulator assembly
Loading…
↗
43
61A81975A000
Plate, rectifier fitting
Loading…
↗
44
61A81972001S
Cover, rectifier
Loading…
↗
45
9046513M3000
Clamp
Loading…
↗
46
9011006M0700
Bolt, hexagon socket head
Loading…
↗
48
90445090F600
Hose (l1500)
Loading…
↗
49
9046708M1800
Clip
Loading…
↗
50
68F819420000
Cover
Loading…
↗
51
9016905M0000
Screw truss head tapping
Loading…
↗
52
68F8592A0000
Sensor
Loading…
↗
53
65L113950000
Holder
Loading…
↗
54
9011906M7400
Bolt, with washer(63m)
Loading…
↗
56
65L858320000
Case, under
Loading…
↗
57
65L113540000
Gasket
Loading…
↗
58
65L1131N0000
Gasket, holder
Loading…
↗
59
65L113960000
Gasket, holder
Loading…
↗
60
68F113530000
Joint
Loading…
↗
61
68FW11350000
Seal, cylinder
Loading…
↗
62
970950603000
Bolt(jf7)
Loading…
↗
63
929950610000
Washer(6a1)
Loading…
↗