Yamaha Outboard Parts - Fuel - 115CETO (2001) | Flood Marine
New Search
Parts
New Outboards
Home
115CETO (2001)
Fuel
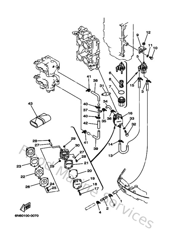
Diagram: Fuel
Parts List
Reference
Description
Price
1
6N7243130000
Pipe 3
Loading…
↗
2
6R3243770000
Pipe, joint 3
Loading…
↗
3
9046511M1000
Clamp
Loading…
↗
4
904651009800
Clamp
Loading…
↗
5
6R3245600000
Filter assembly
Loading…
↗
6
61N245631000
Element, filter
Loading…
↗
7
61N245210000
Cup, filter
Loading…
↗
8
932103273800
O-ring(1wg)
Loading…
↗
9
6E5245660000
Bracket, filter
Loading…
↗
10
970130601400
Bolt(gj3)
Loading…
↗
11
929950610000
Washer(6a1)
Loading…
↗
12
953800860000
Nut (661)
Loading…
↗
13
6E5243140000
Pipe 4
Loading…
↗
16
6E5244101000
Fuel pump assembly
Loading…
↗
17
985030503500
Screw, pan head (686)
Loading…
↗
18
929030560000
Washer, plain (646)
Loading…
↗
19
6E5244130000
Body 2
Loading…
↗
20
6E5244710000
Diaphragm
Loading…
↗
21
6E5244350000
Gasket, body 2
Loading…
↗
22
6E5244111000
Diaphragm
Loading…
↗
23
6E5244360000
Gasket, Body 3
Loading…
↗
24
6E5244240000
Seat, Spring
Loading…
↗
25
6E5244230000
Spring, diaphragm
Loading…
↗
26
6E5244340200
Gasket, body
Loading…
↗
27
6A0244210100
Valve, check
Loading…
↗
28
6A0143250000
Screw, pan head
Loading…
↗
29
953800360000
Nut (6g8)
Loading…
↗
30
6E5244121000
Body 1
Loading…
↗
31
65024431A000
Gasket,fuel pump
Loading…
↗
32
970950605000
Bolt(jf7)
Loading…
↗
33
929950660000
Washer, plain (646)
Loading…
↗
34
6G5243161000
Pipe 6
Loading…
↗
37
6E5243761000
Pipe, joint 1
Loading…
↗
38
6G5243181000
Hose (l90)
Loading…
↗
39
6G5243191000
Pipe 9
Loading…
↗
42
9044615M0700
Hose(6g4)
Loading…
↗
43
656W28100200
Tool kit
Loading…
↗