Yamaha Outboard Parts - Fuel - 140BETOL (1988) | Flood Marine
New Search
Parts
New Outboards
Home
140BETOL (1988)
Fuel
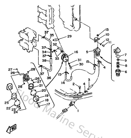
Diagram: Fuel
Parts List
Reference
Description
Price
1
6E5243040100
Fuel pipe joint comp. 1
Loading…
↗
2
973130602000
Bolt(7u8)
Loading…
↗
3
6E5243130000
Pipe 3
Loading…
↗
4
904651009800
Clamp
Loading…
↗
5
6E5245600000
Filter assembly
Loading…
↗
7
9321037M2500
O-ring (655)
Loading…
↗
8
6F5245630000
Element, filter
Loading…
↗
10
6E5245660000
Bracket, filter
Loading…
↗
11
970950601400
Bolt(gj3)
Loading…
↗
12
929900610000
Washer(6a1)
Loading…
↗
13
953030860000
Nut(6l2)
Loading…
↗
14
6E5243140000
Pipe 4
Loading…
↗
15
9046511M1000
Clamp
Loading…
↗
16
6E5244100100
Fuel pump assembly
Loading…
↗
17
985800503500
Screw, pan head (686)
Loading…
↗
18
929900560000
Washer, plain (646)
Loading…
↗
19
6E5244130000
Body 2
Loading…
↗
20
6E5244710000
Diaphragm
Loading…
↗
21
6E5244350000
Gasket, body 2
Loading…
↗
22
6E5244110000
Diaphragm
Loading…
↗
23
648244240000
Seat,spring
Loading…
↗
24
6E5244230000
Spring, diaphragm
Loading…
↗
25
6E5244340200
Gasket, body
Loading…
↗
26
6A0244210100
Valve, check
Loading…
↗
28
988130310000
Nut
Loading…
↗
29
650244310000
Gasket,fuel pump
Loading…
↗
30
970130605000
Bolt, hexagon
Loading…
↗
31
929900660000
Washer, plain (646)
Loading…
↗
32
6G5243161000
Pipe 6
Loading…
↗
34
6E5243761000
Pipe, joint 1
Loading…
↗
35
904451357900
Hose (l90)
Loading…
↗
36
6G5243191000
Pipe 9
Loading…
↗
38
9044615M0700
Hose(6g4)
Loading…
↗