Yamaha Outboard Parts - Fuel - 5CMH (1986) | Flood Marine
New Search
Parts
New Outboards
Home
5CMH (1986)
Fuel
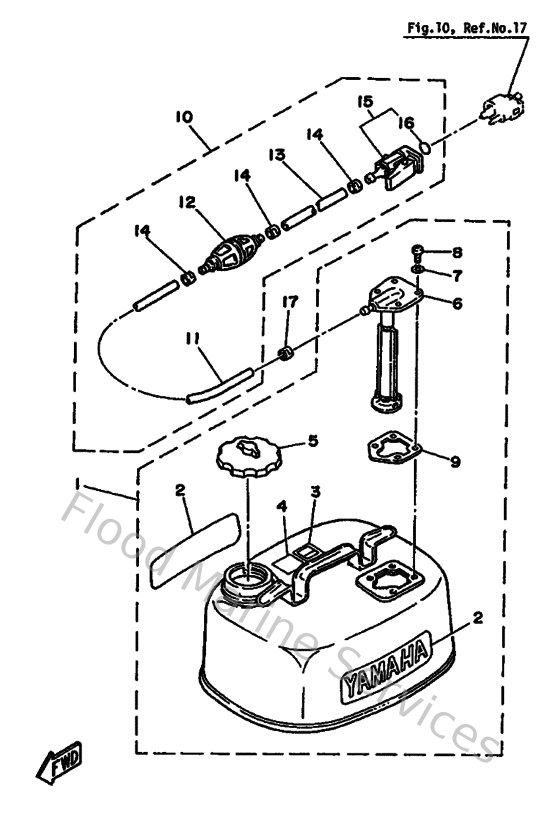
Diagram: Fuel
Parts List
Reference
Description
Price
3
6Y1242558000
Graphic, Fuel Tank 8
Loading…
↗
5
647246100300
Cap assembly
Loading…
↗
7
6Y1243290000
Seal
Loading…
↗
8
978850501600
Screw, pan head(6b0)
Loading…
↗
9
663242680000
Gasket, housing fuel meter
Loading…
↗
11
9044511M7900
Hose (l3000)
Loading…
↗
12
6YL243606300
Primer pump assembly
Loading…
↗
13
9044511M7800
Hose (l1000)
Loading…
↗
14
650243510000
Band 1
Loading…
↗
15
6G1243050000
Fuel pipe joint comp. 2
Loading…
↗
16
932100828700
O-ring (655)
Loading…
↗