Yamaha Outboard Parts - Fuel - 8CEM (1990) | Flood Marine
New Search
Parts
New Outboards
Home
8CEM (1990)
Fuel
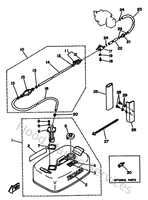
Diagram: Fuel
Parts List
Reference
Description
Price
3
6Y1242558000
Graphic, Fuel Tank 8
Loading…
↗
5
6Y1246101200
Cap assembly
Loading…
↗
7
6Y1242680000
Gasket, fuel meter
Loading…
↗
8
985860501600
Screw, pan head
Loading…
↗
9
6Y1243290000
Seal
Loading…
↗
10
6Y4243068000
Fuel pipe comp. 1
Loading…
↗
11
6G1243050500
Fuel pipe joint comp. 2
Loading…
↗
12
932100828700
O-ring (655)
Loading…
↗
13
650243510100
Band 1
Loading…
↗
14
9044511M7800
Hose (l1000)
Loading…
↗
15
6Y1243600200
Primer pump assembly
Loading…
↗
16
9044511M0600
Hose (l3000)
Loading…
↗
17
6G1243041000
Fuel pipe joint comp. 1
Loading…
↗
18
973950602500
Bolt
Loading…
↗
19
929900660000
Washer, plain (646)
Loading…
↗
20
650243515100
Band 1
Loading…
↗
22
904450909400
Hose (l1500)
Loading…
↗
23
90445090F600
Hose (l1500)
Loading…
↗
24
904670800400
Clip, pipe 6162435600
Loading…
↗
25
656W28100100
Tool kit
Loading…
↗
26
6N0F81700000
Holder, Tool
Loading…
↗
27
904651315400
Clamp(mf1)
Loading…
↗
28
973950601200
Bolt(gh1)
Loading…
↗