Yamaha Outboard Parts - Fuel - 90AETOL (1998) | Flood Marine
New Search
Parts
New Outboards
Home
90AETOL (1998)
Fuel
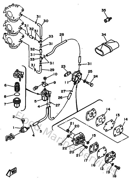
Diagram: Fuel
Parts List
Reference
Description
Price
1
6G1243040200
Fuel pipe joint comp. 1
Loading…
↗
2
975950652000
Bolt(7u8)
Loading…
↗
3
90445093J200
Hose (l420)
Loading…
↗
4
904670800400
Clip, pipe 6162435600
Loading…
↗
5
61N245600000
Filter assembly
Loading…
↗
6
61N245630000
Element, filter
Loading…
↗
7
61N245210000
Cup, filter
Loading…
↗
8
932103273800
O-ring(1wg)
Loading…
↗
9
6H1245660000
Bracket, Filter
Loading…
↗
10
953800860000
Nut (661)
Loading…
↗
11
692244100000
Fuel pump assembly
Loading…
↗
12
648244130100
Cover, pump
Loading…
↗
13
692244110000
Diaphragm
Loading…
↗
14
648244340100
Gasket, body
Loading…
↗
15
953800360000
Nut (6g8)
Loading…
↗
16
663244110000
Diaphragm
Loading…
↗
17
648244350200
Gasket, body 2
Loading…
↗
18
985800553000
Ybs86-530 screw,panhead
Loading…
↗
19
929900510000
Ybs67-5 washer, spring
Loading…
↗
20
6A0244210100
Valve, check
Loading…
↗
21
6A0143250000
Screw, pan head
Loading…
↗
22
6A0244120200
Body 1
Loading…
↗
23
65024431A000
Gasket,fuel pump
Loading…
↗
24
970950604000
Bolt (682)
Loading…
↗
25
929900660000
Washer, plain (646)
Loading…
↗
26
6H1243140000
Pipe 4
Loading…
↗
28
90445097F700
Hose (l1500)
Loading…
↗
29
6A4243120000
Pipe, fuel 2
Loading…
↗
30
688243140000
Pipe, fuel 2
Loading…
↗
32
90445090F600
Hose (l1500)
Loading…
↗
33
688243780000
Pipe, joint
Loading…
↗
34
656W28100200
Tool kit
Loading…
↗
35
6E0281930094
Plug, water check
Loading…
↗