Yamaha Outboard Parts - Fuel 1 - 50GETO (1997) | Flood Marine
New Search
Parts
New Outboards
Home
50GETO (1997)
Fuel 1
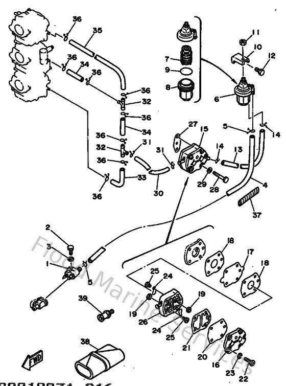
Diagram: Fuel 1
Parts List
Reference
Description
Price
1
6G1243040200
Fuel pipe joint comp. 1
Loading…
↗
2
970950602500
Bolt
Loading…
↗
3
929900660000
Washer, plain (646)
Loading…
↗
4
90445092K100
Hose (l420)
Loading…
↗
5
904670800400
Clip, pipe 6162435600
Loading…
↗
6
61N245600000
Filter assembly
Loading…
↗
7
61N245630000
Element, filter
Loading…
↗
8
61N245210000
Cup, filter
Loading…
↗
9
932103273800
O-ring(1wg)
Loading…
↗
10
648245660100
Bracket, Filter
Loading…
↗
11
953800860000
Nut (661)
Loading…
↗
12
970950601400
Bolt(gj3)
Loading…
↗
15
692244100000
Fuel pump assembly
Loading…
↗
16
648244130100
Cover, pump
Loading…
↗
17
692244110000
Diaphragm
Loading…
↗
18
648244340100
Gasket, body
Loading…
↗
19
953800360000
Nut (6g8)
Loading…
↗
20
663244110000
Diaphragm
Loading…
↗
21
648244350200
Gasket, body 2
Loading…
↗
22
985800553000
Ybs86-530 screw,panhead
Loading…
↗
23
929900510000
Ybs67-5 washer, spring
Loading…
↗
24
62Y244210100
Valve, check
Loading…
↗
25
6A0143250000
Screw, pan head
Loading…
↗
26
6A0244120200
Body 1
Loading…
↗
27
65024431A000
Gasket,fuel pump
Loading…
↗
28
970950604000
Bolt (682)
Loading…
↗
32
688243780000
Pipe, joint
Loading…
↗
33
6H3243130000
Pipe, fuel 2
Loading…
↗
34
90445090F600
Hose (l1500)
Loading…
↗
35
6H3243140000
Pipe 4
Loading…
↗
37
9044610M0100
Tube (6e5)
Loading…
↗
38
656W28100200
Tool kit
Loading…
↗
39
6E0281930094
Plug, water check
Loading…
↗