Yamaha Outboard Parts - Fuel 1 - 85AET (1990) | Flood Marine
New Search
Parts
New Outboards
Home
85AET (1990)
Fuel 1
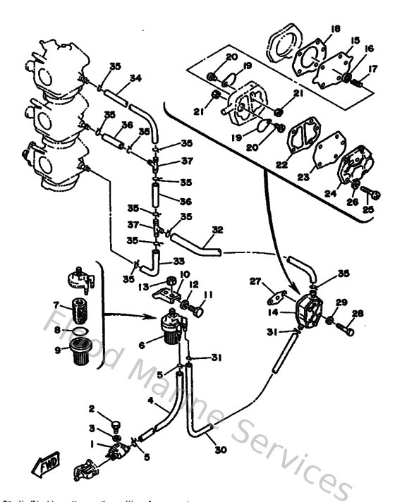
Diagram: Fuel 1
Parts List
Reference
Description
Price
1
6G1243040200
Fuel pipe joint comp. 1
Loading…
↗
2
973950602000
Bolt(7u8)
Loading…
↗
3
929900660000
Washer, plain (646)
Loading…
↗
4
90445090F600
Hose (l1500)
Loading…
↗
5
904670800400
Clip, pipe 6162435600
Loading…
↗
6
655245600100
Filter assembly
Loading…
↗
7
6F5245630000
Element, filter
Loading…
↗
8
9321037M2500
O-ring (655)
Loading…
↗
10
648245660100
Bracket, Filter
Loading…
↗
11
970950601400
Bolt(gj3)
Loading…
↗
12
929900610000
Washer(6a1)
Loading…
↗
13
953800860000
Nut (661)
Loading…
↗
14
692244100000
Fuel pump assembly
Loading…
↗
15
648244110000
Diaphragm
Loading…
↗
16
648244240000
Seat,spring
Loading…
↗
17
648244230000
Spring,diaphragm
Loading…
↗
18
648244340100
Gasket, body
Loading…
↗
19
62Y244210100
Valve, check
Loading…
↗
20
6A0143250000
Screw, pan head
Loading…
↗
21
953800360000
Nut (6g8)
Loading…
↗
22
648244350200
Gasket, body 2
Loading…
↗
23
663244110000
Diaphragm
Loading…
↗
24
648244130100
Cover, pump
Loading…
↗
25
985800553000
Ybs86-530 screw,panhead
Loading…
↗
26
929900510000
Ybs67-5 washer, spring
Loading…
↗
27
650244310000
Gasket,fuel pump
Loading…
↗
28
973950604000
Bolt (682)
Loading…
↗
32
904450910000
Hose (l1500)
Loading…
↗
33
688243130000
Pipe, fuel 2
Loading…
↗
34
6A4243120000
Pipe, fuel 2
Loading…
↗
36
904450922000
Hose (l1500)
Loading…
↗
37
688243780000
Pipe, joint
Loading…
↗