Yamaha Outboard Parts - Fuel 1 - L200BETOL (1993) | Flood Marine
New Search
Parts
New Outboards
Home
L200BETOL (1993)
Fuel 1
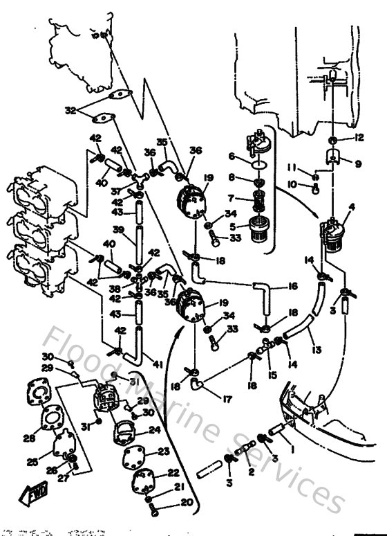
Diagram: Fuel 1
Parts List
Reference
Description
Price
2
6R3243770000
Pipe, joint 3
Loading…
↗
3
9046511M1000
Clamp
Loading…
↗
4
6E5245600000
Filter assembly
Loading…
↗
6
9321037M2500
O-ring (655)
Loading…
↗
7
6F5245630000
Element, filter
Loading…
↗
8
655245640000
Packing, filter
Loading…
↗
9
648245660100
Bracket, Filter
Loading…
↗
10
973130601400
Bolt(gj3)
Loading…
↗
11
929900610000
Washer(6a1)
Loading…
↗
12
988800810000
Nut, hex.
Loading…
↗
13
6G5243140000
Pipe 4
Loading…
↗
15
6E5243780000
Pipe, joint 3
Loading…
↗
16
6G5243150000
Pipe 5
Loading…
↗
17
6E5243150000
Pipe 5
Loading…
↗
19
6E5244100300
Fuel pump assembly
Loading…
↗
20
985800503500
Screw, pan head (686)
Loading…
↗
21
929900560000
Washer, plain (646)
Loading…
↗
22
6E5244130000
Body 2
Loading…
↗
23
6E5244710000
Diaphragm
Loading…
↗
24
6E5244350000
Gasket, body 2
Loading…
↗
25
6E5244110000
Diaphragm
Loading…
↗
26
648244240000
Seat,spring
Loading…
↗
27
6E5244230000
Spring, diaphragm
Loading…
↗
28
6E5244340200
Gasket, body
Loading…
↗
29
62Y244210100
Valve, check
Loading…
↗
30
6A0143250000
Screw, pan head
Loading…
↗
31
953800360000
Nut (6g8)
Loading…
↗
32
65024431A000
Gasket,fuel pump
Loading…
↗
33
973950605000
Bolt(jf7)
Loading…
↗
34
929900660000
Washer, plain (646)
Loading…
↗
35
6G5243161000
Pipe 6
Loading…
↗
37
6G5243760000
Pipe, joint 1
Loading…
↗
38
6G5243770000
Pipe, joint 2
Loading…
↗
39
6G5243170100
Pipe 7
Loading…
↗
40
904451357900
Hose (l90)
Loading…
↗
41
6G5243191000
Pipe 9
Loading…
↗
43
9044615M0700
Hose(6g4)
Loading…
↗