Yamaha Outboard Parts - Fuel 2 - 25QEO (1991) | Flood Marine
New Search
Parts
New Outboards
Home
25QEO (1991)
Fuel 2
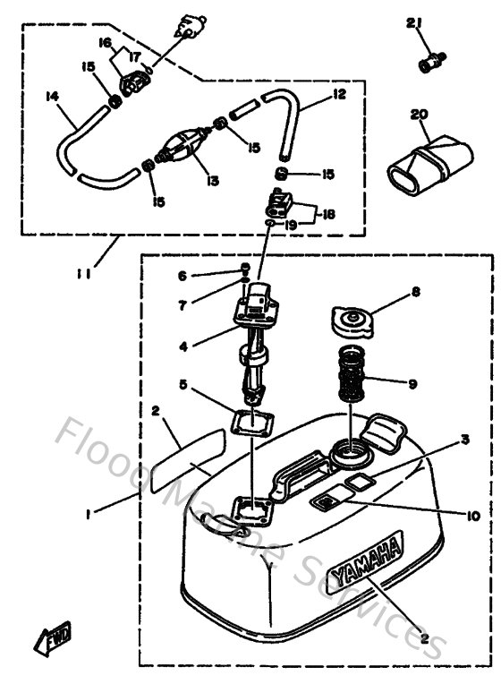
Diagram: Fuel 2
Parts List
Reference
Description
Price
4
6Y1242600200
Fuel meter assembly
Loading…
↗
5
6Y1242680000
Gasket, fuel meter
Loading…
↗
6
985860501600
Screw, pan head
Loading…
↗
7
6Y1243290000
Seal
Loading…
↗
8
6Y1246100000
Cap assembly
Loading…
↗
9
6Y1241670000
Strainer
Loading…
↗
11
6Y1243060500
Fuel pipe comp. 1
Loading…
↗
12
9044511M0600
Hose (l3000)
Loading…
↗
13
6Y1243600200
Primer pump assembly
Loading…
↗
14
9044511M7800
Hose (l1000)
Loading…
↗
15
650243510100
Band 1
Loading…
↗
16
6G1243050000
Fuel pipe joint comp. 2
Loading…
↗
17
932100828700
O-ring (655)
Loading…
↗
18
6Y1243050600
Fuel pipe joint comp. 2
Loading…
↗
20
656W28100100
Tool kit
Loading…
↗
21
6E0281930094
Plug, water check
Loading…
↗