Yamaha Outboard Parts - Fuel Pump Drive Gear - Z200NETO (2001) | Flood Marine
New Search
Parts
New Outboards
Home
Z200NETO (2001)
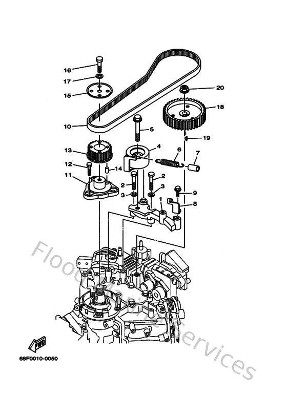
Fuel Pump Drive Gear
Diagram: Fuel Pump Drive Gear
Parts List
Reference
Description
Price
1
68F115980094
Bracket, tensioner
Loading…
↗
2
970130804500
Bolt
Loading…
↗
3
929030860000
Washer, plain (663)
Loading…
↗
4
68F115900000
Tensioner assembly
Loading…
↗
5
9011910M7200
Bolt, with washer(6m6)
Loading…
↗
6
9050616M3900
Spring, tension
Loading…
↗
7
9044515M0300
Hose (l23)
Loading…
↗
8
68F115950000
Plate, Valve
Loading…
↗
9
970130801200
Bolt(62e)
Loading…
↗
10
68F462410000
Belt
Loading…
↗
11
68F115790100
Coupling, flywheel
Loading…
↗
13
68F115360094
Gear, drive
Loading…
↗
14
936051010800
Pin, dowel (8g8)
Loading…
↗
15
68F115570000
Washer 1
Loading…
↗
16
970950802500
Bolt (62g)
Loading…
↗
17
929900860000
Washer, plain (663)
Loading…
↗
18
68F115370094
Gear, driven
Loading…
↗
19
9028003M0100
Key woodruff 146115450000
Loading…
↗
20
957070860000
Nut, flange(jn5)
Loading…
↗